
Dostat upozornění e-mailem, až bude produkt opět skladem
Předobjednávka produktu
- Popis
- Návody
- Způsoby platby
- Záruka
Panelové časové relé ERD-48M – univerzální digitální časovač pro průmyslovou a domácí automatizaci
Panelové hodinové relé ERD-48M je víceúčelový digitální časovač určený pro řízení časových cyklů, průmyslových procesů, jednoúčelových strojů a domácí automatizace. Nabízí 13 různých provozních režimů, přesné programování a široké možnosti ovládání.
Zařízení umožňuje jednoduché nastavení časové sekvence v rozsahu 0,1 sekundy až 99,59 hodin, a to pomocí tlačítek na čelním panelu. Díky dvojitému LED displeji je zobrazení hodnot přehledné a čitelné i z větší vzdálenosti.
Hlavní vlastnosti:
-
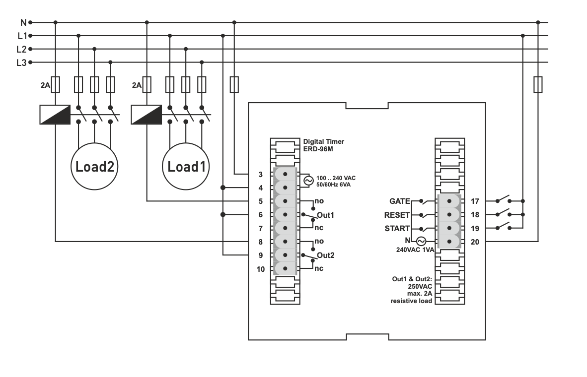
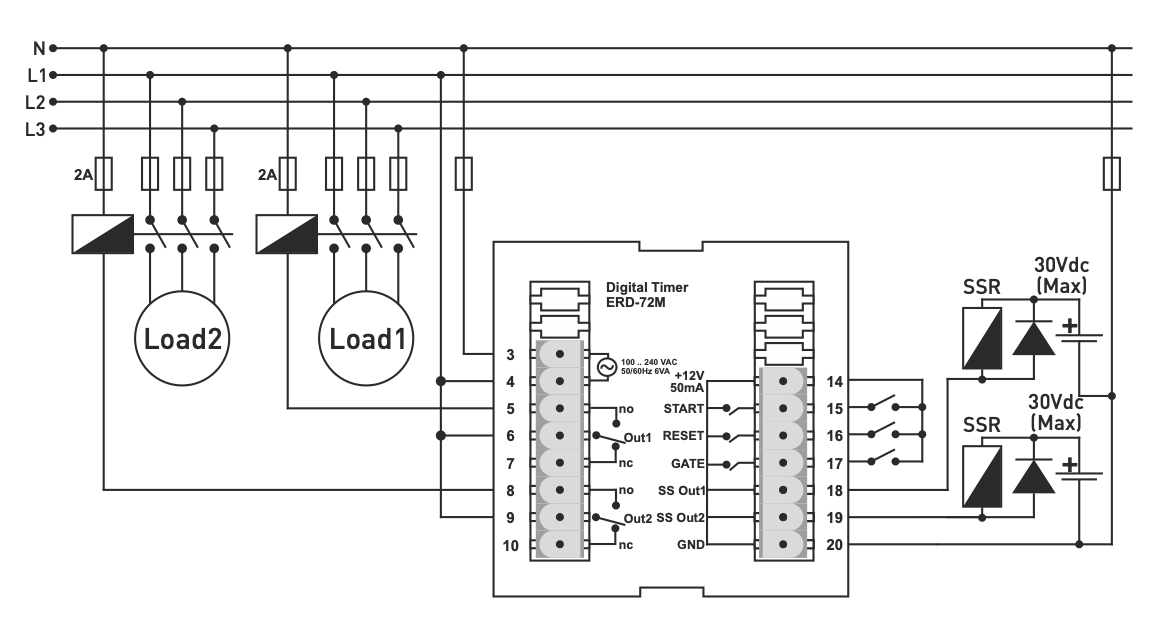
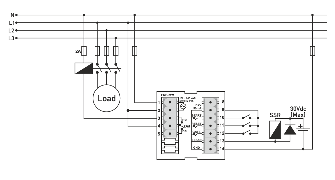
Multifunkční digitální časovač s ovládacími vstupy START / RESET / GATE
-
13 programovatelných režimů pro širokou škálu aplikací
-
Časové jednotky: hodiny (99:59) / minuty (99:59) / sekundy (599,9 s)
-
Paměť posledního stavu – při výpadku napájení si pamatuje nastavení i stav výstupu
-
Dvojitý LED displej:
-
horní řádek (červený): nastavená hodnota
-
dolní řádek (žlutý): aktuální měřený čas nebo stav
-
-
Indikace sepnutí relé OUT červenou LED
-
Vestavěné napájení pro senzory: 12 V DC, max. 50 mA
-
Kompatibilní se signály 24 VDC (PNP) nebo vlastním 12V výstupem ze svorky 9
-
Odolná konstrukce, montáž do panelu 48×48 mm
Funkce a ovládání
Zařízení obsahuje 13 různých provozních režimů, které umožňují plnou flexibilitu při řízení:
-
časové zpoždění ON
-
časové zpoždění OFF
-
cyklické zapínání/vypínání
-
jednorázové časování
-
řízení sekvenční logiky
-
časové relé s pauzou (GATE)
-
další speciální časové režimy
(Seznam 13 režimů lze na přání doplnit.)
Ovládací vstupy:
-
START (svorka 10): spustí časovač
-
RESET (svorka 11): vynuluje čas
-
GATE (svorka 12): pozastaví odpočítávání (PAUSE)
-
svorka 9: integrovaný +12 V DC pro senzory / ovládací tlačítka (max. 50 mA)
Výstupy
Reléový výstup OUT1 (svorky 4–3–5):
-
Typ: SPDT přepínač (NO–COM–NC)
-
Zatížení: 250 VAC / 2 A, odporová zátěž
SSR výstup OUT2 (svorky 13 a 14):
-
Řídicí signál pro polovodičové relé
-
Max. výstupní úroveň: 30 V DC
Technické specifikace
-
Napájecí napětí: 100…240 V AC, 50/60 Hz
-
Spotřeba energie: < 8 VA
-
Rozsah časování:
-
0,1 s až 599,9 s
-
0 až 99:59 min
-
0 až 99:59 hod
-
-
Vstupy START/RESET/GATE: 7–32 V DC (ON), 0–2 V DC (OFF)
-
Displej: 2×4místný, 7segmentový LED (červený + žlutý)
-
Pracovní teplota: -20 °C až +55 °C
-
Instalační výřez v panelu: 44 × 44 mm
-
Celkové rozměry: 48 × 48 × 99 mm
-
Provozní nadmořská výška: < 2000 m
-
Montáž: panelová, čelní upevnění
Download on
Online platba kartou – po dokončení objednávky budete přesměrováni na platební portál. Potvrzení o platbě obdržíte e-mailem.
Platba na dobírku – částku uvedenou na platebním příkazu uhradíte kurýrovi doručovací služby.
Platba bankovním převodem – na váš e-mail obdržíte nejpozději následující pracovní den proforma fakturu, na které bude uvedeno číslo účtu, které zadáte při platbě.
Platba na účet – tuto možnost mají partneři, kteří mají s naší společností uzavřenou rámcovou smlouvu.
Pokud chcete využít poslední dvě možnosti, kontaktujte našeho vedoucího, který vám poskytne pokyny, jak obdržet fakturu s DPH nebo bez DPH.
Elektrická zařízení, která dodáváme, splňují vysoké standardy kvality, mají 24měsíční záruku a jsou v souladu se všemi požadavky EU.
Také nabízíme bezplatné doručení (při objednávkách nad 2500 CZK), flexibilní systém slev a akcí. Technické znalosti a zkušenosti našich zaměstnanců nám umožňují poskytovat vysoce kvalitní poradenství a v případě potřeby nabízet alternativy k elektrickým výrobkům.
Elektrické vybavení, které dodáváme, splňuje vysoké standardy kvality, má 24měsíční záruku a odpovídá všem požadavkům EU.
V případě reklamace se vrácení zboží neúčtuje.
