
Dostat upozornění e-mailem, až bude produkt opět skladem
- Popis
- Návody
- Způsoby platby
- Záruka
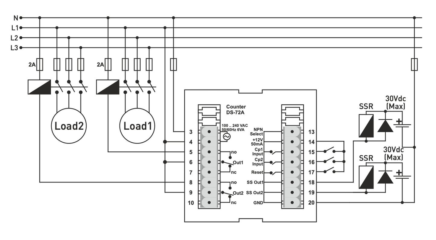
Počítadlo impulsů DS-72A – 2×6-místný LED displej, 2× relé, 2× SSR výstup
Popis produktu
Počítadlo impulsů DS-72A je profesionální zařízení určené pro přesné počítání impulsů z mechanických spínačů, koncových spínačů, indukčních senzorů PNP/NPN a inkrementálních enkodérů. Podporuje počítání nahoru i dolů, nabízí možnost kombinace vstupních funkcí a flexibilní konfiguraci výstupů.
Díky dvojitému 6-místnému LED displeji a možnosti nastavení hodnot PRESET1 a PRESET2 poskytuje jasný přehled o počítané hodnotě i cílové hodnotě. Paměť EEPROM umožňuje uchování nastavení i po výpadku napájení.
Hlavní funkce
-
2× 6-místný LED displej pro zobrazení aktuální hodnoty a PRESET
-
2× výstupní relé (SPDT)
-
2× SSR výstup (NPN, max. 30 V / 100 mA)
-
Počítání nahoru / dolů
-
Ochrana heslem
-
Nastavitelná vstupní frekvence: 20, 50, 2500, 7500 Hz
-
Kalibrační konstanta: 0,00001 až 9,99999
-
Volitelná desetinná čárka: 0 / 0.0 / 0.00 / 0.000
-
Možnost kombinace funkcí: přičítání, odpočítávání, pauza, negace vstupu, kombinace hran
-
Nastavitelný „OFFSET“ hodnoty
-
PRESET1 s možností absolutní/relativní hodnoty
-
Pamatuje stav výstupního relé a hodnotu po výpadku napájení
Technické parametry
-
Rozměry / otvor: 72×72×94 mm / 67×67 mm
-
LED displej: 2× 6-místný 7-segmentový
-
Indikační LED: 5× (OUT1, OUT2, Prst1, Prst2, Batch)
-
Vstupy: 2× (5–30 V, max. 7500 Hz)
-
Typy vstupů: mechanický spínač, indukční senzor PNP/NPN, enkodér NPN/PNP/totem-pole
-
Resetovací vstup: PNP, min. 10 ms, 5–30 V
-
Výstupy relé: 2× SPDT 250 VAC, 2 A (rezistivní zátěž)
-
SSR výstupy: 2× NPN, max. 30 V / 100 mA
-
Napájení senzoru: 12 VDC, max. 50 mA
-
Napájení zařízení: 100–240 VAC, 50–60 Hz
-
Spotřeba energie: < 8 VA
-
Provozní teplota: -20°C … +55°C
-
Nadmořská výška: < 2000 m
Použití
-
Počítání impulsů z mechanických a elektrických zařízení
-
Monitorování výroby a strojů
-
Řízení enkodérů a mechanických procesů
-
Průmyslové aplikace vyžadující přesné měření a výstupy relé / SSR
Instalace a bezpečnost
-
Montáž do panelu / rozvaděče
-
Používejte stíněné a kroucené signální kabely, stínění uzemněte
-
Udržujte kabely mimo vlivy elektrického šumu, jističe a indukční zátěže
-
Chraňte zařízení před vlhkostí, vibracemi, znečištěním a extrémní teplotou
-
Na napájecím vstupu použijte pojistku F250 mA / 250 VAC
-
Dodržujte bezpečnostní předpisy a používejte vhodné kabely
Online platba kartou – po dokončení objednávky budete přesměrováni na platební portál. Potvrzení o platbě obdržíte e-mailem.
Platba na dobírku – částku uvedenou na platebním příkazu uhradíte kurýrovi doručovací služby.
Platba bankovním převodem – na váš e-mail obdržíte nejpozději následující pracovní den proforma fakturu, na které bude uvedeno číslo účtu, které zadáte při platbě.
Platba na účet – tuto možnost mají partneři, kteří mají s naší společností uzavřenou rámcovou smlouvu.
Pokud chcete využít poslední dvě možnosti, kontaktujte našeho vedoucího, který vám poskytne pokyny, jak obdržet fakturu s DPH nebo bez DPH.
Elektrická zařízení, která dodáváme, splňují vysoké standardy kvality, mají 24měsíční záruku a jsou v souladu se všemi požadavky EU.
Také nabízíme bezplatné doručení (při objednávkách nad 2500 CZK), flexibilní systém slev a akcí. Technické znalosti a zkušenosti našich zaměstnanců nám umožňují poskytovat vysoce kvalitní poradenství a v případě potřeby nabízet alternativy k elektrickým výrobkům.
Elektrické vybavení, které dodáváme, splňuje vysoké standardy kvality, má 24měsíční záruku a odpovídá všem požadavkům EU.
V případě reklamace se vrácení zboží neúčtuje.
