
Dostat upozornění e-mailem, až bude produkt opět skladem
- Popis
- Způsoby platby
- Záruka
|
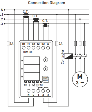
Třífázové proudové relé pro kontrolu / omezení proudu zátěže v
rozsahu 90–200 A, výrobce TENSE (Turecko) Digitální nadproudová relé TRM-200 jsou určena k ochraně zátěže před
poškozením způsobeným vysokými proudy a zároveň umožňují sledování provozu. • 90–200 A (nastavitelná hodnota nadproudu) Použití zařízení a princip činnosti
Když je zařízení zapnuto: Popis Elektronické proudové relé řady TRM-200 je
určeno pro automatické odpojení spotřebičů při překročení maximálně
přípustného proudu. Režimy resetu (Reset Modes): • Manuální režim: Po chybě nadproudu je nutné
zařízení resetovat stisknutím tlačítka Reset. V tomto režimu svítí
odpovídající LED kontrolka. Poznámka: Pro změnu režimu podržte tlačítko SELECT
po dobu 10 sekund. Po změně režimu se rozsvítí odpovídající LED kontrolka. Asymetrie 50 % (pevná) Pokud rozdíl mezi největším a nejmenším fázovým
proudem překročí 50 %, zařízení během 2 sekund přejde do režimu chyby
asymetrie. Při chybě asymetrie: Technické parametry: • Provozní napětí: 150–260 V AC Poznámka: Modely TRM-50, TRM-100, TRM-200 a TRM-300 lze používat pouze s proudovými transformátory, které jsou součástí dodávky. Model TRM-400 lze používat s proudovým transformátorem 400/5.
Základní
|
Online platba kartou – po dokončení objednávky budete přesměrováni na platební portál. Potvrzení o platbě obdržíte e-mailem.
Platba na dobírku – částku uvedenou na platebním příkazu uhradíte kurýrovi doručovací služby.
Platba bankovním převodem – na váš e-mail obdržíte nejpozději následující pracovní den proforma fakturu, na které bude uvedeno číslo účtu, které zadáte při platbě.
Platba na účet – tuto možnost mají partneři, kteří mají s naší společností uzavřenou rámcovou smlouvu.
Pokud chcete využít poslední dvě možnosti, kontaktujte našeho vedoucího, který vám poskytne pokyny, jak obdržet fakturu s DPH nebo bez DPH.
Elektrická zařízení, která dodáváme, splňují vysoké standardy kvality, mají 24měsíční záruku a jsou v souladu se všemi požadavky EU.
Také nabízíme bezplatné doručení (při objednávkách nad 2500 CZK), flexibilní systém slev a akcí. Technické znalosti a zkušenosti našich zaměstnanců nám umožňují poskytovat vysoce kvalitní poradenství a v případě potřeby nabízet alternativy k elektrickým výrobkům.
Elektrické vybavení, které dodáváme, splňuje vysoké standardy kvality, má 24měsíční záruku a odpovídá všem požadavkům EU.
V případě reklamace se vrácení zboží neúčtuje.
