
Dostat upozornění e-mailem, až bude produkt opět skladem
Předobjednávka produktu
- Popis
- Návody
- Způsoby platby
- Záruka
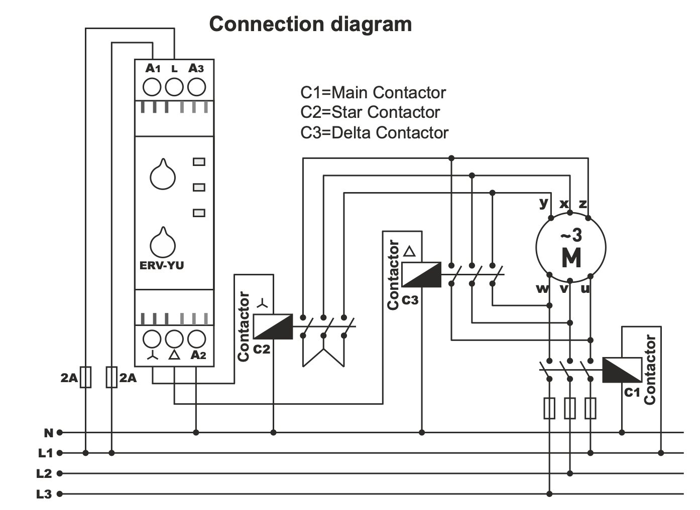
Relé pro spouštěcí režimy hvězda–trojúhelník (ERV-YU)
Spouštěcí relé ERV-YU je určeno pro automatické řízení rozběhu elektromotorů v režimu HVĚZDA–TROJÚHELNÍK při pracovním napětí 24/220 V AC. Relé zajišťuje měkký start motoru, snižuje spouštěcí proud a prodlužuje životnost celého pohonného systému. Je vybaveno světelnou indikací režimů ON, STAR (HVĚZDA), TRIANGLE (TROJÚHELNÍK) a umožňuje nastavení času rozběhového režimu.
Popis a princip činnosti
Pro plynulý start elektromotoru je nejprve aktivován režim HVĚZDA, který snižuje počáteční proudový náraz. Po dosažení potřebných otáček je vinutí automaticky přepnuto do režimu TROJÚHELNÍK, ve kterém motor pokračuje v běžném provozu.
Automatické přepínání režimů pomocí relé a stykačů zvyšuje stabilitu celého systému a eliminuje rizika spojená s ručním ovládáním.
Po přivedení napětí na svorky A1–A2 relé:
-
Aktivuje se kontakt STAR, rozsvítí se kontrolka STAR a začne se počítat interval rozběhu t1 (0,1–30 s).
-
Po uplynutí času t1 se kontakt STAR odpojí, kontrolka zhasne a spustí se krátká pauza t2 (15 ms).
-
Následně se sepnou kontakty Faz–TRIANGLE, rozsvítí se kontrolka TRIANGLE a relé zůstává v tomto režimu po celou dobu, kdy je na svorky A1–A2 přivedeno napětí.
Využití
Relé ERV-YU je vhodné pro:
-
automatické řízení spínání motorů v režimu hvězda–trojúhelník
-
průmyslové aplikace s vysokými nároky na stabilní a bezpečný rozběh motorů
-
systémy, kde je potřeba snížit spouštěcí proud a chránit elektrickou síť
Doplňkový sortiment
K relé můžete zakoupit:
-
stykače a spouštěče
-
stykače s mechanickým blokováním
-
samostatné mechanické blokovací moduly
-
kovové rozvaděčové skříně s krytím IP65
To vše je dostupné přímo ze skladu za výhodné ceny.
Online platba kartou – po dokončení objednávky budete přesměrováni na platební portál. Potvrzení o platbě obdržíte e-mailem.
Platba na dobírku – částku uvedenou na platebním příkazu uhradíte kurýrovi doručovací služby.
Platba bankovním převodem – na váš e-mail obdržíte nejpozději následující pracovní den proforma fakturu, na které bude uvedeno číslo účtu, které zadáte při platbě.
Platba na účet – tuto možnost mají partneři, kteří mají s naší společností uzavřenou rámcovou smlouvu.
Pokud chcete využít poslední dvě možnosti, kontaktujte našeho vedoucího, který vám poskytne pokyny, jak obdržet fakturu s DPH nebo bez DPH.
Elektrická zařízení, která dodáváme, splňují vysoké standardy kvality, mají 24měsíční záruku a jsou v souladu se všemi požadavky EU.
Také nabízíme bezplatné doručení (při objednávkách nad 2500 CZK), flexibilní systém slev a akcí. Technické znalosti a zkušenosti našich zaměstnanců nám umožňují poskytovat vysoce kvalitní poradenství a v případě potřeby nabízet alternativy k elektrickým výrobkům.
Elektrické vybavení, které dodáváme, splňuje vysoké standardy kvality, má 24měsíční záruku a odpovídá všem požadavkům EU.
V případě reklamace se vrácení zboží neúčtuje.
