
Dostat upozornění e-mailem, až bude produkt opět skladem
- Popis
- Návody
- Způsoby platby
- Záruka
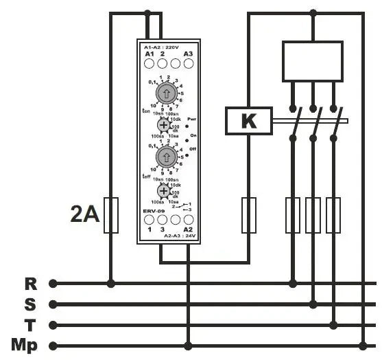
Cyklické relé ERV-09D – TENSE (Turecko)
Signalizační a cyklické relé ERV-09D je určeno pro aplikace, kde je vyžadováno střídavé (Zap-Vyp) ovládání zařízení. Hodí se do průmyslových provozů, výrobních linek, obytných i administrativních budov, nebo jakékoliv situace, kde je potřeba periodické spínání zátěže.
Hlavní vlastnosti
-
Univerzální napájení: 230 V AC nebo 12 V DC
-
Nastavitelný provozní čas (ON): 1 s – 99 min
-
Nastavitelný pohotovostní čas (OFF): 1 s – 99 min
-
Displej zobrazuje aktuální nastavení a odpočet času
-
Indikace ON = provozní doba, OFF = pohotovostní doba
-
Montáž na DIN lištu
-
Nízká spotřeba: < 6 VA
-
Kompaktní a lehké: hmotnost < 80 g
Funkce a ovládání
-
Dvojí režim: Zap / Vyp (ON/OFF)
-
Odpočet nastavené doby je zobrazován na LED displeji
-
Pokud je čas nastaven v minutách, bliká tečka vpravo pro snadnou orientaci
-
Ideální pro cyklické spínání světel, ventilátorů, motorů a dalších zařízení
Technické specifikace
| Parametr | Hodnota |
|---|---|
| Provozní napětí | 100–240 V AC (A1-A2), 12 V DC (A2(-) / A3(+)) |
| Provozní frekvence | 50/60 Hz |
| Provozní výkon | <6 VA |
| Provozní teplota | -20 °C až +55 °C |
| Časový interval | 0,1 s – 99 min |
| Displej | 2×2 LED + 1 LED indikace |
| Kontakt | 5 A / 250 V AC, odporová zátěž |
| Montáž | DIN lišta |
| Hmotnost | <80 g |
| Provozní nadmořská výška | <2000 m |
| Průměr kabelu | do 2,5 mm² |
Relé ERV-09D poskytuje spolehlivé a přesné cyklické spínání s jednoduchým nastavením a vizualizací časů přímo na displeji, což jej činí vhodným pro průmyslové i domácí aplikace.
Online platba kartou – po dokončení objednávky budete přesměrováni na platební portál. Potvrzení o platbě obdržíte e-mailem.
Platba na dobírku – částku uvedenou na platebním příkazu uhradíte kurýrovi doručovací služby.
Platba bankovním převodem – na váš e-mail obdržíte nejpozději následující pracovní den proforma fakturu, na které bude uvedeno číslo účtu, které zadáte při platbě.
Platba na účet – tuto možnost mají partneři, kteří mají s naší společností uzavřenou rámcovou smlouvu.
Pokud chcete využít poslední dvě možnosti, kontaktujte našeho vedoucího, který vám poskytne pokyny, jak obdržet fakturu s DPH nebo bez DPH.
Elektrická zařízení, která dodáváme, splňují vysoké standardy kvality, mají 24měsíční záruku a jsou v souladu se všemi požadavky EU.
Také nabízíme bezplatné doručení (při objednávkách nad 2500 CZK), flexibilní systém slev a akcí. Technické znalosti a zkušenosti našich zaměstnanců nám umožňují poskytovat vysoce kvalitní poradenství a v případě potřeby nabízet alternativy k elektrickým výrobkům.
Elektrické vybavení, které dodáváme, splňuje vysoké standardy kvality, má 24měsíční záruku a odpovídá všem požadavkům EU.
V případě reklamace se vrácení zboží neúčtuje.
