
Prejmite obvestilo po e-pošti, ko bo izdelek spet na voljo.
- Opis
- Navodila
- Načini plačila
- Garancija
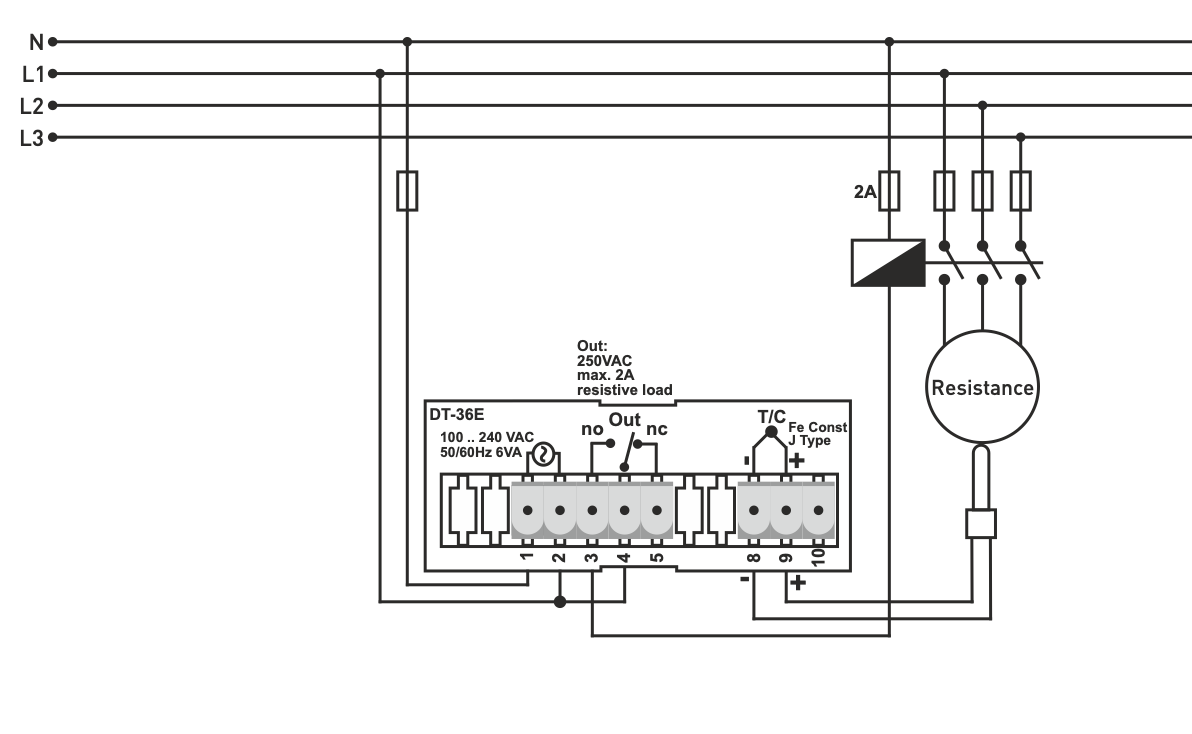
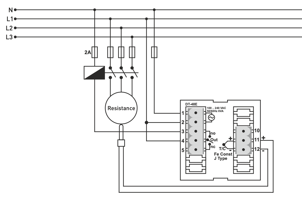
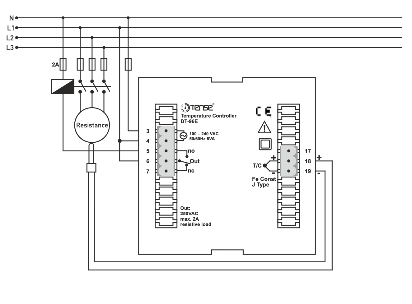
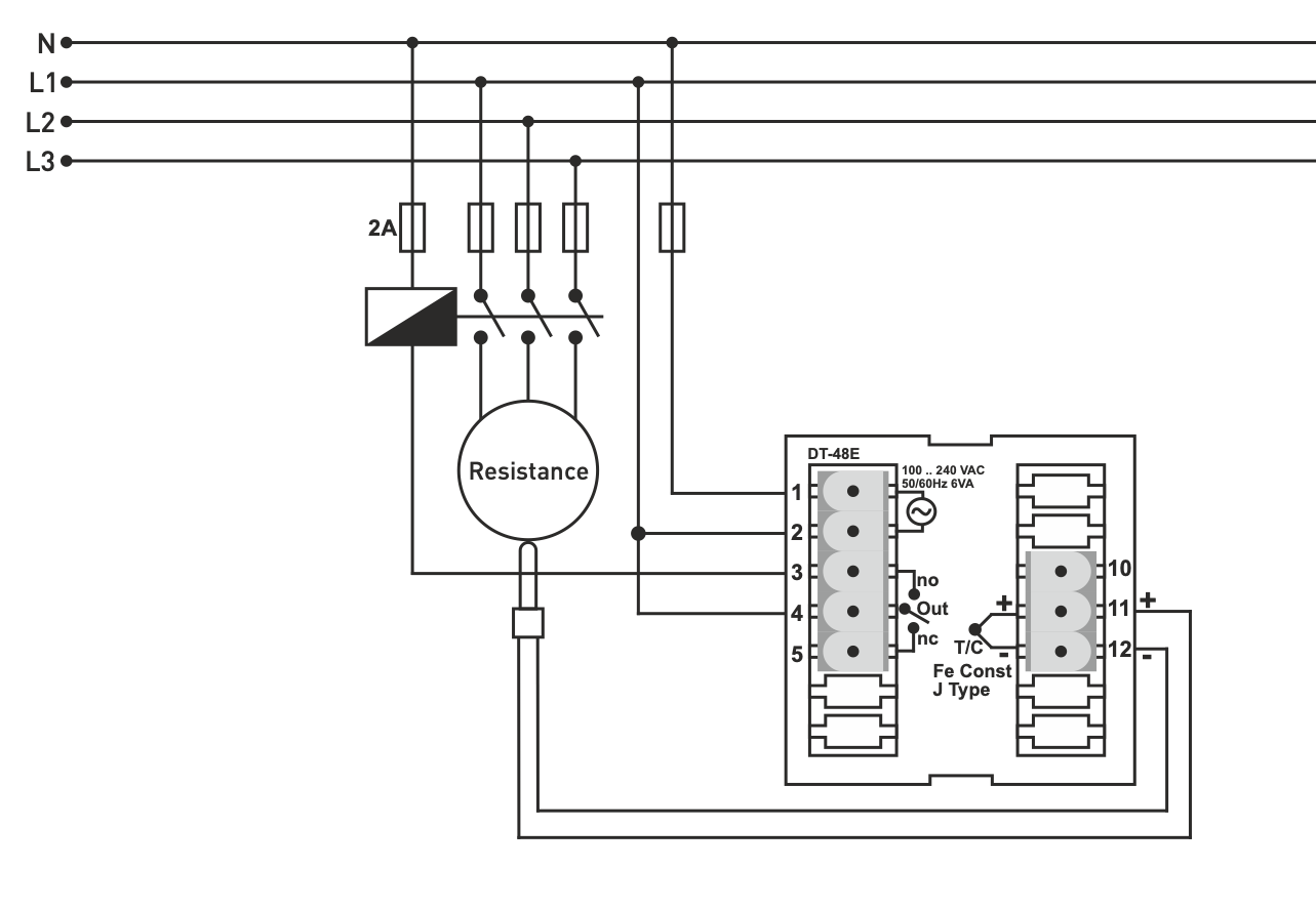
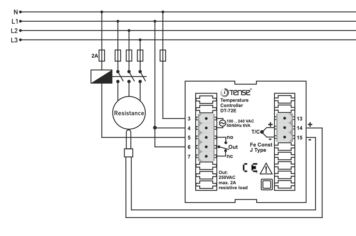
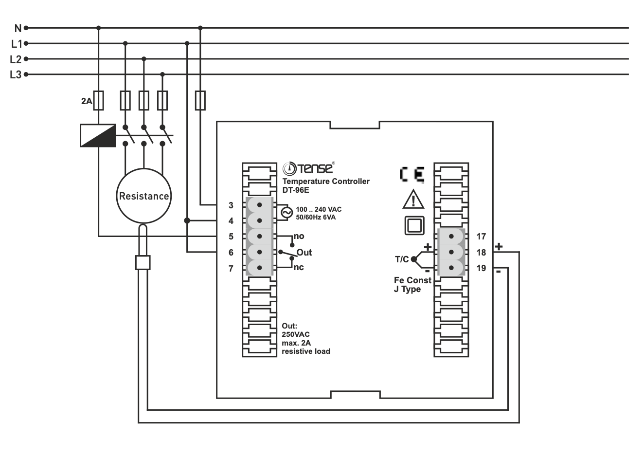
Panelový regulátor teploty DT48-EM – PID & ON/OFF
Popis produktu:
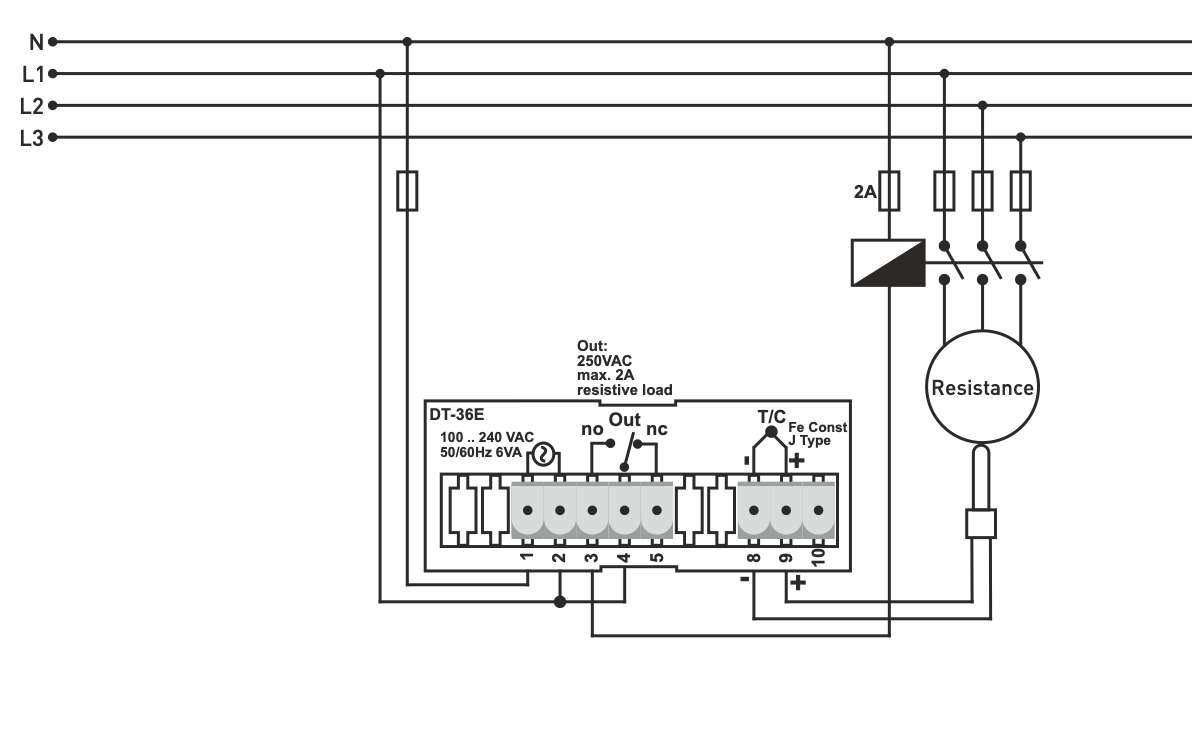
DT48-EM je jednokanálový panelový regulátor teploty určený pro ohřev s univerzálním vstupem. Slouží k přesné regulaci teploty v průmyslových aplikacích, strojích lehkého průmyslu, potravinářství, pecích a dalších systémech, kde je vyžadována precizní kontrola ohřevu.
Vstupy:
-
Odporové čidlo Pt100
-
Termočlánky (T/C) typ J, K, T, R, S
Výstupy:
-
SPDT relé 2A / 250VAC pro odporovou zátěž
-
Digitální výstup 12VDC / 20mA pro ovládání SSR relé
Rozměry:
-
Napájení 230VAC
Funkce a vlastnosti
-
Regulace: PID a ON/OFF, volitelně P, PI, PD
-
Automatické ladění PID: samooptimalizace pro minimalizaci překmitů
-
Režim rampy: plynulé zvyšování teploty při zapnutí
-
Anti-windup: ochrana proti nárůstu regulačního výstupu v PID/PI
-
Horní a dolní limit: pro nastavení žádané teploty SET
-
Dvouřádkový displej: Sv (žádaná hodnota) a Pv (aktuální hodnota)
-
Kompenzace: studených spojů pro T/C, odporu vedení pro Pt100
-
Lineární převod: tabulky °C/mV a °C/Ohm
-
Offset: posun hodnot v celém rozsahu
-
Ochrana heslem: zabrání nechtěné změně nastavení
-
Paměť EEPROM: uchovává nastavení i po odpojení napájení
-
Jednoduché připojení: zásuvné konektory 5,08 mm
Měřicí rozsahy podle typu senzoru
| Rozsah (°C) | Typ senzoru | Kód INPt |
|---|---|---|
| -100 .. 600 | TLC, typ J T/C | J |
| -100 .. 1300 | TXA, typ K T/C | K |
| -100 .. 400 | TMKn, typ T/C | T |
| 0 .. 1750 | typ S T/C TPP | S |
| 0 .. 1750 | TPP, typ R T/C | R |
| -100 .. 600 | Pt100 | Pt |
| -99,9 .. 600,0 | Pt100 | Pt.0 |
Poznámka:
I když regulátor umožňuje měření teplot pod -20 °C a nad +55 °C, samotné zařízení musí být instalováno v prostředí s teplotou -20 … +55 °C, jinak může dojít k deformaci plastového krytu a selhání termostatu.
Spletno plačilo s kartico – po dokončanju naročila boste preusmerjeni na plačilno stran, potrdilo o plačilu vam bo poslano na e‑pošto.
Plačilo po povzetju (COD) – plačilo boste poravnali vozniku prevoznika ob prevzemu pošiljke.
Bančno nakazilo – najkasneje naslednji delovni dan boste na e‑pošto prejeli predračun s številko računa, ki jo vnesete pri plačilu.
Na predračun (predfakturo) – ta možnost plačila je na voljo partnerjem, ki imajo z našim podjetjem sklenjeno okvirno pogodbo.
Če želite izkoristiti zadnja dva načina plačila, pokličite našega upravitelja, ki vam bo dal navodila, kako pridobiti račun z ali brez DDV.
Spletno plačilo s kartico – po dokončanju naročila boste preusmerjeni na plačilni portal. Potrdilo o plačilu boste prejeli po e-pošti.
Plačilo po povzetju – znesek, naveden na plačilnem nalogu, boste poravnali kurirju dostavne službe.
Plačilo z bančnim nakazilom – na vaš e-poštni naslov boste najpozneje naslednji delovni dan prejeli proformno fakturo, na kateri bo navedena številka računa, ki jo vnesete pri plačilu.
Plačilo na račun – to možnost imajo partnerji, ki imajo z našim podjetjem sklenjeno okvirno pogodbo.
Če želite izkoristiti zadnji dve možnosti, kontaktirajte našega vodjo, ki vam bo dal navodila, kako prejeti fakturo z DDV ali brez DDV.
Električna naprava, ki jih dobavljamo, izpolnjujejo visoke standarde kakovosti, imajo 24-mesečno garancijo in so v skladu z vsemi zahtevami EU.
Prav tako ponujamo brezplačno dostavo (pri naročilih nad 2500 CZK), fleksibilen sistem popustov in akcij. Tehnično znanje in izkušnje naših zaposlenih nam omogočajo, da zagotavljamo visoko kakovostno svetovanje in v primeru potrebe ponujamo alternative električnim izdelkom.
Električna oprema, ki jo dobavljamo, izpolnjuje visoke standarde kakovosti, ima 24-mesečno garancijo in ustreza vsem zahtevam EU.
V primeru reklamacije se vračilo blaga ne zaračunava.
