
Dostať upozornenie e-mailom, až bude produkt opäť na sklade
- Popis
- Spôsoby platby
- Záruka
|
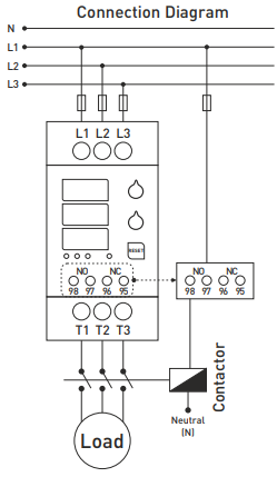
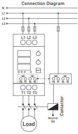
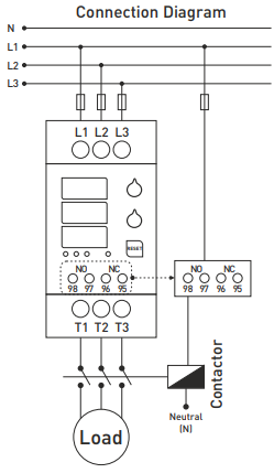
Monitorovacie nadprúdové relé
TRM-30F s displejom, 3-fázové do 25A Je určené na ochranu zariadenia
citlivých na hodnoty prevádzkového prúdu a napätia pred chybami, ktoré môžu
vzniknúť v dôsledku:
Digitálne nadprúdové relé preťaženia TRM-30F s
displejom umožňuje zobraziť aktuálny prúd v každej fáze a chrániť motor alebo
spotrebič proti nadprúdu, prepätiu, podprúdu, výpadku fázy a zmene poradia
fáz. Tieto digitálne preťažovacie relé sú navrhnuté tak, aby zabránili
poškodenie motora/záťaže vysokými prúdmi a zároveň umožnila kontrolu
aktuálneho prúdu tečúceho v každej fáze na displeji. Taktiež dokážu kontrolovať
hodnoty združeného napätia medzi fázami. Vďaka dvom výstupným relé (1x NO, 1x NC) je
možné tiež ovládať alebo odpojiť záťaž pri dosiahnutí nastavené hodnoty nadprúdu,
nebo zapnout signalizační kontakt do řídicího systému. Digitální relé TRM-xx
majú vstavané prúdové transformátory a 3x3-miestny displej pre zobrazenie
prúdu. Použitie a princíp činnosti
Ovládače
"Stav kontaktov"
"Indikačná LED"
"Funkcia tlačidla"
"V/A/RESET"
Ochrany a princip činnosti 1. Ochrana proti nadproudu (0,5–30
A):
2. Ochrana proti asymetrii proudu:
3. Ochrana proti prepätiu (U>440
V):
4. Ochrana proti podpätia (U<265
V):
5. Ochrana proti asymetrii napätia:
6. Ochrana sledu fáz:
Výpočet prúdovej asymetrie Prístroj vypočíta asymetriu podľa vzorca:
Príklad: ((25 – 15) / 25) × 100 = 40 % prúdovej asymetrie Technická špecifikácia
|
Online payment by card – after completing the order, you will be redirected to the payment gateway, and a payment confirmation will be sent to your email.
Cash on delivery (COD) – you will pay the driver of the carrier upon receipt of the shipment.
Bank transfer – no later than the following business day, you will receive a pro forma invoice with the account number to your email, which you will enter when making the payment.
On the pro forma invoice – this payment option is available to partners who have a framework agreement with our company.
If you want to use the last two payment methods, call our manager, who will provide you with instructions on how to obtain an invoice with or without VAT.
Online payment by card – after completing the order, you will be redirected to the payment portal. You will receive a payment confirmation via email.
Cash on delivery – the amount specified in the payment order will be paid to the courier of the delivery service.
Bank transfer payment – you will receive a proforma invoice via email no later than the following business day, which will include the account number to be entered during payment.
Account payment – this option is available to partners who have a framework agreement with our company.
If you wish to use the last two options, please contact our manager, who will provide you with instructions on how to obtain an invoice with or without VAT.
The electrical devices we supply meet high quality standards, have a 24-month warranty, and comply with all EU requirements.
We also offer free delivery (for orders over 2500 CZK), a flexible discount and promotion system. The technical knowledge and experience of our employees enable us to provide high-quality consulting and, if necessary, offer alternatives to electrical products.
Electrical equipment that we supply meets high quality standards, has a 24-month warranty, and complies with all EU requirements.
In case of a complaint, the return of goods is not charged.
