
Dostat upozornění e-mailem, až bude produkt opět skladem
- Popis
- Návody
- Způsoby platby
- Záruka
12 pași + controler factor de putere TCR cu afișaj LCD grafic de 2,9 inchi (TENSE)
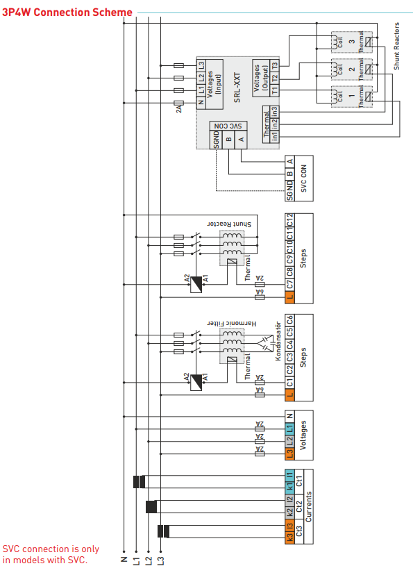
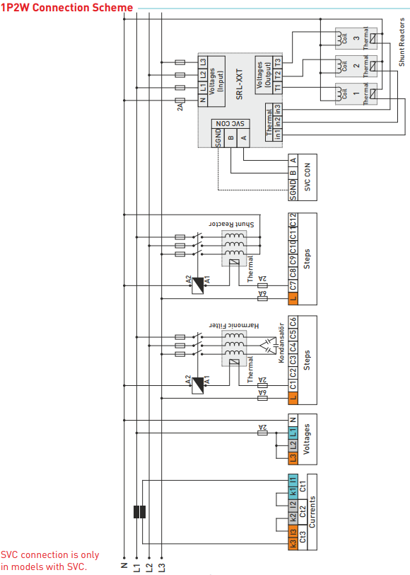
Regulatorul de putere reactivă RGT-12E (TENSE) este un dispozitiv complet automat pentru comutarea optimă a treptelor de compensare.
Prelucrarea digitală a valorilor măsurate de controler asigură o precizie ridicată a evaluării valorii efective a tensiunii, curentului și factorului de putere.
Instalarea dispozitivului este complet automată - controlerul însuși determină dimensiunea etapelor individuale de compensare conectate. Acești parametri pot fi introduși și direct manual.
Regulatorul pornește și oprește treptele de compensare astfel încât reglarea puterii reactive să aibă loc cu un număr minim de comutări. În același timp, regulatorul ține cont de sarcina uniformă a treptelor individuale și le comută de preferință pe cele care au fost deconectate pentru cel mai lung timp și pentru care sarcina reziduală este minimă. În timpul reglementării, controlul continuu al etapelor de compensare este efectuat simultan - sunt detectate întreruperi și modificări ale valorilor, etapele dezactivate temporar sunt testate periodic și, dacă este necesar, repuse în procesul de reglementare.
Intrarea generatorului și compensarea generatorului
Se pot seta timpii de lovire, de descărcare și de decontare
Se poate conecta un condensator monofazat, bifazat și trifazat și un reactor de șunt
Tensiunea și curentul armonicilor pot fi observate până la armonica a 31-a
Energia totală poate fi monitorizată (import/export)
Pot fi observate valorile THD-V și THD-I ale fiecărei faze
Generarea analizei puterii (20 mostre 9999 min.) - pentru selectarea condensatorului
Plata online cu cardul – după finalizarea comenzii, veți fi redirecționat către portalul de plată. Confirmarea plății o veți primi prin e-mail.
Plata la livrare – suma indicată pe comanda de plată va fi plătită curierului serviciului de livrare.
Plata prin transfer bancar – veți primi pe e-mail, cel târziu în ziua lucrătoare următoare, o factură proforma, pe care va fi indicat numărul de cont pe care îl veți introduce la plată.
Plata pe cont – această opțiune este disponibilă partenerilor care au încheiat un contract cadru cu compania noastră.
Dacă doriți să utilizați ultimele două opțiuni, contactați-l pe managerul nostru, care vă va oferi instrucțiuni despre cum să obțineți o factură cu TVA sau fără TVA.
Dispozitivele electrice pe care le furnizăm respectă standarde înalte de calitate, au o garanție de 24 de luni și sunt conforme cu toate cerințele UE.
De asemenea, oferim livrare gratuită (pentru comenzi de peste 2500 CZK), un sistem flexibil de reduceri și oferte. Cunoștințele tehnice și experiența angajaților noștri ne permit să oferim consultanță de înaltă calitate și, dacă este necesar, să propunem alternative pentru produsele electrice.
Elektrické vybavení, které dodáváme, splňuje vysoké standardy kvality, má 24měsíční záruku a odpovídá všem požadavkům EU.
V případě reklamace se vrácení zboží neúčtuje.
