
Dostat upozornění e-mailem, až bude produkt opět skladem
Předobjednávka produktu
- Popis
- Způsoby platby
- Záruka
|
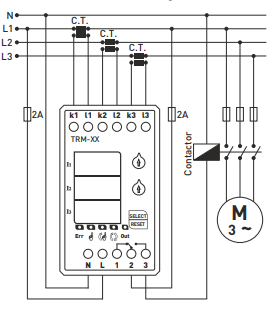
Przekaźnik prądowy do kontroli/ograniczenia obciążenia, 3-fazowy, zakres 15–50
A, producent TENSE (Turcja) Cyfrowe przeciążenie przekaźnika TRM-50 jest przeznaczone do ochrony obciążenia przed
uszkodzeniami spowodowanymi wysokimi prądami i jednocześnie umożliwia kontrolę pracy.
Użycie urządzenia i zasada działania
Gdy urządzenie jest włączone:
Elektroniczny przekaźnik prądowy serii TRM-50 jest
przeznaczone do automatycznego odłączenia odbiorników przy przekroczeniu maksymalnie
dopustowych prądów. Posiada programowalny zakres uruchamiania, możliwość ustawienia
czasu uruchomienia i ponownego włączenia. Dostępne są 3 tryby powrotu do
„roboczym” stanie – RĘCZNY, PÓŁAUTOMATYCZNY, AUTOMATYCZNY. Tryby resetu (Reset Modes)
Uwaga: Aby zmienić tryb, przytrzymaj przycisk SELECT
przez 10 sekund. Po zmianie trybu zapali się odpowiednia dioda LED. Asymetria prądowa 50 % (stała) Jeśli różnica między najwyższym a najniższym prądem
jeśli w fazach przekroczy 50 %, urządzenie przechodzi w tryb błędu asymetrii podczas
2 sekundy (zapobiega uszkodzeniu systemu w przypadku utraty jednej fazy). W przypadku wystąpienia błędu asymetrii:
Parametry techniczne
Uwaga: Modele TRM-50, TRM-100, TRM-200 i TRM-300 można
używać tylko z transformatorami prądowymi, które są częścią dostawy.
Podstawowy
|
Płatność online kartą – po złożeniu zamówienia zostaniesz przekierowany na portal płatniczy. Potwierdzenie płatności otrzymasz e-mailem.
Płatność przy odbiorze – kwotę podaną na zleceniu płatniczym uiszczasz kurierowi usługi dostawczej.
Płatność przelewem bankowym – na twój e-mail otrzymasz najpóźniej następnego dnia roboczego fakturę proforma, na której będzie podany numer konta, który wpiszesz przy płatności.
Płatność na konto – tę opcję mają partnerzy, którzy mają z naszą firmą zawartą umowę ramową.
Jeśli chcesz skorzystać z ostatnich dwóch opcji, skontaktuj się z naszym kierownikiem, który przekaże ci instrukcje, jak otrzymać fakturę z VAT lub bez VAT.
Urządzenia elektryczne, które dostarczamy, spełniają wysokie standardy jakości, mają 24-miesięczną gwarancję i są zgodne ze wszystkimi wymaganiami UE.
Oferujemy również darmową dostawę (przy zamówieniach powyżej 2500 CZK), elastyczny system rabatów i promocji. Wiedza techniczna i doświadczenie naszych pracowników pozwalają nam zapewniać wysokiej jakości doradztwo i w razie potrzeby oferować alternatywy dla produktów elektrycznych.
Elektrické vybavení, které dodáváme, splňuje vysoké standardy kvality, má 24měsíční záruku a odpovídá všem požadavkům EU.
V případě reklamace se vrácení zboží neúčtuje.
