
Ontvang een e-mailmelding zodra het product weer op voorraad is
- Beschrijving
- Handleidingen
- Betalingsmethoden
- Garantie
3-fázový panelový multimetr TENSE – VAHz
Popis
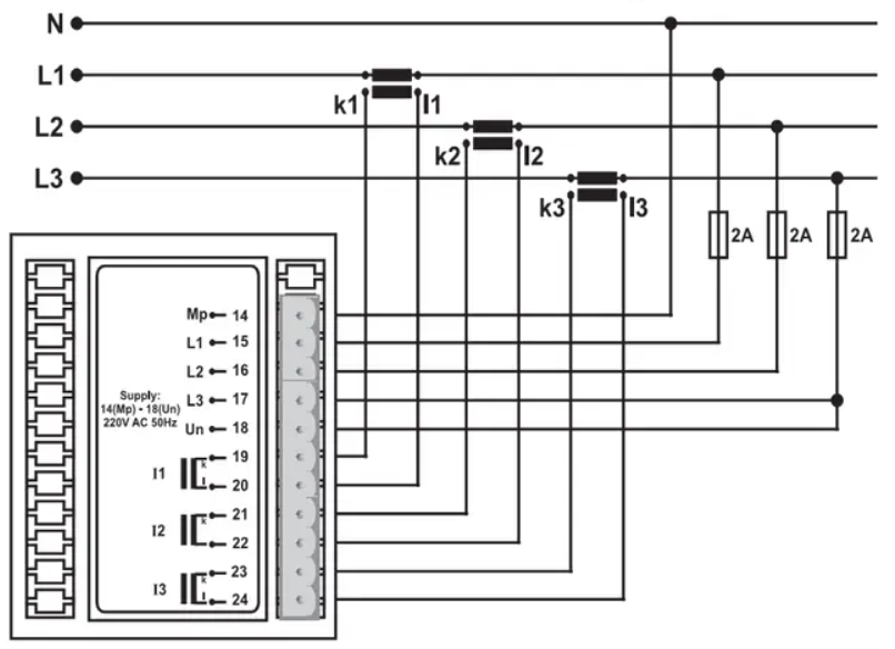
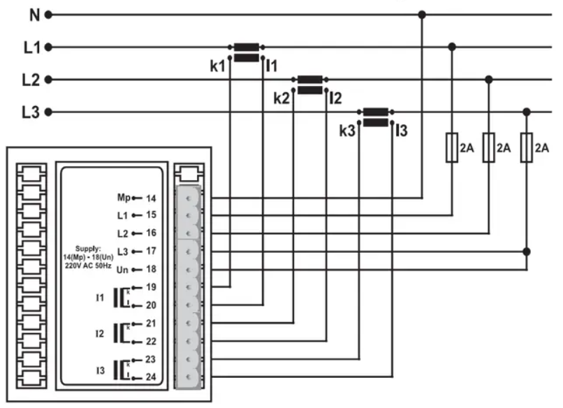
Digitální 3-fázový panelový multimetr TENSE je multifunkční měřič pro sledování elektrických parametrů ve 3-fázových systémech. Přístroj umožňuje měřit napětí, proud a frekvenci, kontrolovat správné zapojení fází a je vhodný pro průmyslová zařízení, stroje i rozvody střídavého proudu.
Hlavní výhody
-
Multifunkční měření: I, U (L-L, L-N), Hz
-
Nepřímé měření proudu přes připojené proudové transformátory
-
Sledování fáze a kontrola zapojení
-
Přiložený měřicí transformátor u modelů EM-100D a EM-250D
-
Montáž na standardní DIN lištu
Rozsahy měření
| Parametr | Modely EM-06 / EM-72 | EM-100D | EM-250D |
|---|---|---|---|
| Proud | 5/5 … 9995/5 A (nepřímé) | 1 – 100 A | 2 – 250 A |
| Napětí L-N | 1 – 300 V AC | 1 – 300 V AC | 1 – 300 V AC |
| Napětí L-L | 1 – 500 V AC | 1 – 500 V AC | 1 – 500 V AC |
| Frekvence | 40 – 60 Hz | 40 – 60 Hz | 40 – 60 Hz |
Doporučení
-
Pro modely EM-06 a EM-72 doporučujeme používat měřicí transformátory proudu:
60/5, 75/5, 100/5, 150/5, 200/5, 250/5, 300/5, 400/5, 500/5, 600/5, 800/5, 1000/5, 1500/5 -
Transformátory lze zakoupit přímo v našem e-shopu.
Download on
Online betaling met kaart – na het voltooien van de bestelling wordt u doorgestuurd naar de betalingsgateway, de bevestiging van de betaling wordt naar uw e‑mail gestuurd.
Betaling bij levering (COD) – u betaalt de chauffeur van de vervoerder bij ontvangst van het pakket.
Bankoverschrijving – uiterlijk de volgende werkdag ontvangt u een proforma factuur met het rekeningnummer, dat u invoert bij de betaling, op uw e‑mail.
Op de proforma factuur – deze betalingsoptie is beschikbaar voor partners die een raamovereenkomst met ons bedrijf hebben gesloten.
Als u gebruik wilt maken van de laatste twee betalingsmethoden, bel dan onze beheerder, die u instructies zal geven over hoe u een factuur met of zonder BTW kunt verkrijgen.
Online betaling met kaart – na het voltooien van de bestelling wordt u doorgestuurd naar de betalingsportal. U ontvangt een bevestiging van de betaling per e-mail.
Betaling bij levering – het bedrag dat op de betalingsopdracht staat, betaalt u aan de koerier van de bezorgdienst.
Betaling per bankoverschrijving – u ontvangt uiterlijk de volgende werkdag een proforma factuur per e-mail, waarop het rekeningnummer staat dat u invoert bij de betaling.
Betaling op rekening – deze optie is beschikbaar voor partners die een raamovereenkomst met ons bedrijf hebben gesloten.
Als u gebruik wilt maken van de laatste twee opties, neem dan contact op met onze manager, die u instructies zal geven over hoe u een factuur met of zonder btw kunt ontvangen.
De elektrische apparaten die wij leveren, voldoen aan hoge kwaliteitsnormen, hebben een garantie van 24 maanden en zijn in overeenstemming met alle EU-eisen.
Wij bieden ook gratis levering (bij bestellingen boven de 2500 CZK), een flexibel systeem van kortingen en acties. De technische kennis en ervaring van onze medewerkers stelt ons in staat om hoogwaardige adviesdiensten te bieden en, indien nodig, alternatieven voor elektrische producten aan te bieden.
Elektrisch apparatuur die wij leveren, voldoet aan hoge kwaliteitsnormen, heeft een garantie van 24 maanden en voldoet aan alle EU-eisen.
In geval van een klacht worden de retourkosten niet in rekening gebracht.
