
Dostat upozornění e-mailem, až bude produkt opět skladem
- Apraksts
- Norādījumi
- Maksājumu veidi
- Garantija
|
Fāzes
aizsardzības releji ar fāžu secības regulāciju, asimetrija: 5% - 50% (regulējama),
ražots uzņēmumā TENSE (Turcija)
Fāzes
aizsardzības releji ir paredzēti trīsfāzu elektromotoru aizsardzībai pret traucējumiem
tīklā, kas saistīti ar fāžu secības traucējumiem, sprieguma asimetriju, pārsniegšanu vai
samazinot pieļaujamo sprieguma līmeni.
Pārspriegums:
400 V–480 V AC (regulējams) Zemspriegums:
260 V–360 V AC (regulējams) Asimetrija:
5% - 50% (iestatāms) Laiks
gaidīšana uz kļūdu: 1 s–30 s (iestatāms) Laiks
resetēšanas: 1 s - 30 s (iestatāms) Regulācija
fāžu maiņa
Vispārīgi
darbošanās principi:
Par
normālā stāvokļa: Kad
visas fāzes ir pieļaujamās vērtībās un to secība ir pareiza, relejs
ieslēdzas un LED diode OUT deg.
Kļūda
augsta sprieguma (H): Ja
spriegums vienā vai vairākās fāzēs pārsniedz iestatīto vērtību, ierīce gaida
uz iestatīto gaidīšanas laiku kļūdas (Err In), pēc tam ekrānā parādīsies
„H“, relejs izslēdzas un LED diode OUT nedeg.
Kad
visi spriegumi nokrīt par 5 V zem iestatītā limita, ierīce gaida laiku
atgūšana (Err OUT), pēc tam relejs ieslēdzas un LED diode OUT iedegas.
Kļūda
zema sprieguma (L): Ja
spriegums vienā vai vairākās fāzēs nokrīt zem iestatītās vērtības, ierīce gaida
uz Err In, pēc tam parādīsies L, relejs izslēgsies un OUT iedegsies.
Kad
spriegums paaugstinās par 5 V virs sliekšņa vērtības, ierīce gaida uz Err OUT, pēc tam
relejs ieslēgsies.
Kļūda
fāžu asimetrija (Asy): Ja
sprieguma atšķirība starp fāzēm pārsniegs iestatīto vērtību, ierīce gaida uz Err
In, pēc tam parādīsies „ASy“, relejs izslēgsies.
Kad
asimetrija samazinās par 2 % iestatīto sliekšņu vērtību, ierīce gaida uz Err OUT,
pēc tam relejs ieslēgsies.
Kļūda
fāžu secība (pHs): Ja
fāžu savienojuma secība ir pārtraukta, ierīce gaida uz Err In, pēc tam parādīs
„phs“, relejs atslēgsies no barošanas. Pēc pareizā ierīces secības atjaunošanas tas gaida
uz Err OUT, pēc kura relejs ieslēgsies.
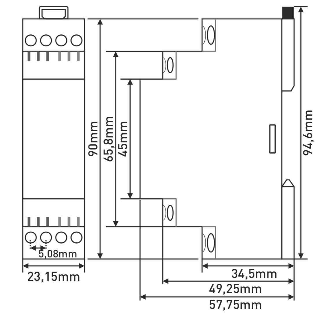
Tehniskie
specifikācija
Darba
spriegums (Un) 3×380 V AC + nulles vads Frekvence
50/60 Hz Jauda
< 6 VA Darba
temperatūra –20°C līdz +55°C Slieksnis
augsta sprieguma 400–480 V AC Slieksnis
zema sprieguma 260–360 V AC Asimetrija
(iestatījums) no 5 % līdz 50 % Kontakts
relejs 5 A / 250 V AC (pretestības slodze) Displejs
3×3 segmentu displejs, 1 LED Montāža
uz DIN sliedes Svars
< 150 g Maks.
uzstādīšanas augstums < 2000 m |
Kabeļa šķērsgriezums līdz 2,5 mm²
Online maksājums ar karti – pēc pasūtījuma pabeigšanas jūs tiksiet novirzīts uz maksājumu vārtiem, apstiprinājums par maksājumu tiks nosūtīts uz jūsu e‑pastu.
Naudas piegāde (COD) – maksājumu veiksiet pie transporta uzņēmuma vadītāja, saņemot sūtījumu.
Bankas pārskaitījums – ne vēlāk kā nākamajā darba dienā jūs saņemsiet uz e‑pastu avansa rēķinu ar konta numuru, kuru ievadīsiet maksājuma laikā.
Uz avansa rēķinu (priekšrēķinu) – šī maksājuma iespēja ir pieejama partneriem, kuriem ir noslēgts ietvarlīgums ar mūsu uzņēmumu.
Ja vēlaties izmantot pēdējos divus maksājuma veidus, zvaniet mūsu administratoram, kurš sniegs jums norādījumus, kā iegūt rēķinu ar vai bez PVN.
Tiešsaistes maksājums ar karti – pēc pasūtījuma pabeigšanas jūs tiksiet novirzīts uz maksājumu portālu. Apstiprinājumu par maksājumu saņemsiet e-pastā.
Maksājums ar piegādi – summu, kas norādīta maksājuma rīkojumā, samaksāsiet kurjeram piegādes pakalpojuma.
Maksājums ar bankas pārskaitījumu – uz jūsu e-pastu saņemsiet ne vēlāk kā nākamajā darba dienā proforma rēķinu, kurā būs norādīts konta numurs, kuru ievadīsiet maksājuma laikā.
Maksājums uz kontu – šo iespēju var izmantot partneri, kuriem ar mūsu uzņēmumu ir noslēgts ietvarlīgums.
Ja vēlaties izmantot pēdējās divas iespējas, sazinieties ar mūsu vadītāju, kurš jums sniegs norādījumus, kā saņemt rēķinu ar PVN vai bez PVN.
Elektriskie aparāti, kurus mēs piegādājam, atbilst augstiem kvalitātes standartiem, tiem ir 24 mēnešu garantija un tie atbilst visām ES prasībām.
Mēs arī piedāvājam bezmaksas piegādi (pasūtījumiem virs 2500 CZK), elastīgu atlaidu un akciju sistēmu. Tehniskās zināšanas un mūsu darbinieku pieredze ļauj mums sniegt augstas kvalitātes konsultācijas un, ja nepieciešams, piedāvāt alternatīvas elektriskajiem izstrādājumiem.
Elektriskā iekārta, ko mēs piegādājam, atbilst augstiem kvalitātes standartiem, tai ir 24 mēnešu garantija un tā atbilst visām ES prasībām.
Ja rodas pretenzija, preču atgriešana netiek iekasēta.
