
Dostat upozornění e-mailem, až bude produkt opět skladem
- Popis
- Návody
- Způsoby platby
- Záruka
|
Monofase
regolatore della pompa sommersa per pozzi, 140 V–280 V AC, 60 A, Tense Codice:
MDK-02 Elettrodi
(sensori di livello del liquido) non sono inclusi nella fornitura.
Questo
il regolatore è progettato per proteggere le pompe sommerse nei pozzi da vari
problemi potenziali che possono verificarsi durante il funzionamento, come ad esempio
sovratensioni di tensione e corrente, mancanza d'acqua nel pozzo o nella sorgente e sovraccarico
la pompa. Le funzioni integrate consentono anche di monitorare il livello di riempimento
del serbatoio, impostare i ritardi temporali per situazioni di emergenza e regolare
correnti di picco.
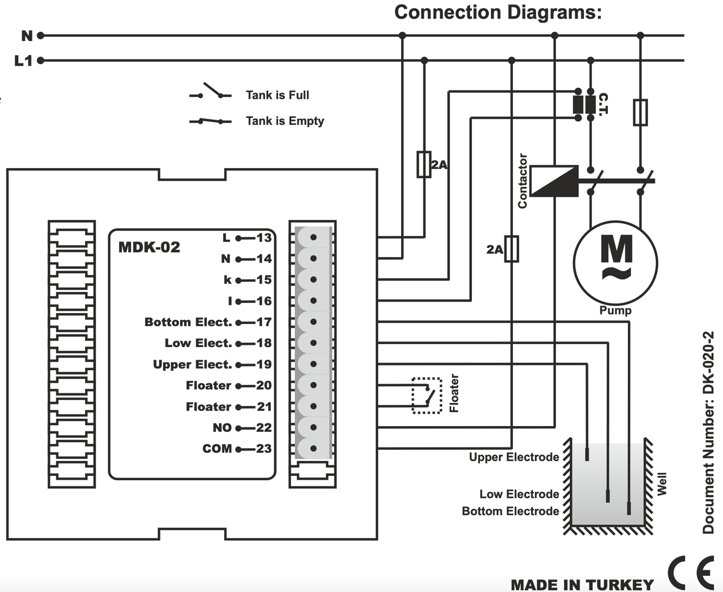
Principio
del funzionamento del regolatore.
Prima
leggere la sezione "Importante!" prima di collegare l'apparecchiatura. Collegare i sensori e
trasformatore di corrente all'apparecchiatura secondo lo schema di collegamento (fig. 1) e poi
collegare l'alimentazione. Verificare che i parametri impostati in fabbrica corrispondano
ai parametri operativi della vostra pompa. Se necessario, è possibile modificare
i seguenti parametri:
(P1) –
valore massimo consentito della tensione
(P2) –
valore massimo ammissibile della corrente
(P3) –
valore minimo ammissibile della tensione
(P4) –
valore minimo ammissibile della corrente
(P5) –
ritardo di reazione all'errore
(P6) –
tempo di reset automatico dopo un errore di corrente
(P7) –
coefficiente di corrente (moltiplicatore) per l'intervallo di avvio
(P8) –
tempo di intervallo di avvio
(P9) –
numero di reset automatici dell'errore di corrente, dopo i quali il dispositivo passa a
modalità di emergenza e richiede l'intervento dell'operatore
(P10) –
tempo di ritardo della reazione del sensore superiore (tempo più lungo – la pompa si accende meno frequentemente
– prolunga la vita della pompa)
Dopo
alla prima connessione all'alimentazione del dispositivo si attende 4 secondi, quindi analizza i parametri
rete e la loro conformità con i parametri inseriti e analizza se c'è nel pozzo
acqua. Viene controllato se c'è abbastanza spazio nel serbatoio di accumulo e
se il regolatore è in modalità "START" (l'indicatore verde inferiore è acceso) (acceso),
chiude i contatti di controllo e si accende l'indicatore verde superiore
"pompa". Sul display verranno visualizzati i valori attuali di tensione e
corrente.
Modalità
"START": Per entrare in questa modalità premere il pulsante START.
Modalità
"STOP": Per entrare in questa modalità premere il pulsante STOP. In questo
la modalità del dispositivo non esegue alcuna regolazione e non attiva la pompa. Impostazioni
parametri:
Premere
il pulsante MENU per accedere al menu delle impostazioni dei parametri. Sarai reindirizzato a
la prima pagina dei parametri (P1). Il display superiore mostra il numero del parametro e
il display inferiore mostra il valore di questo parametro. I valori dei parametri possono
cambiare premendo i pulsanti SU e GIÙ. Quindi premere il pulsante MENU per
salvare il valore selezionato o RESET per uscire dal menu. Non dimenticare che
premendo il pulsante RESET, il valore del parametro visualizzato sul display non verrà salvato,
ma le modifiche ai parametri precedenti verranno salvate. Se non si preme alcun pulsante dopo
dopo 50 secondi, il dispositivo uscirà dal menu senza salvare il valore del parametro visualizzato
sul display. Importante!!!
Prima di collegare il dispositivo, si prega di leggere questa sezione:
-
L'unità di controllo della pompa sommersa deve essere collegata secondo lo schema di collegamento
indicato nella scheda tecnica del prodotto.
-
Assicurarsi che il liquido che la pompa deve pompare non sia infiammabile né
esplosiva.
- Se
se si utilizza un sistema con due sensori di livello, devono essere collegati gli ingressi
del sensore superiore e medio.
-
La temperatura nel luogo di installazione del regolatore deve essere superiore a 0 °C.
- Mai
non collegare tensione agli ingressi del regolatore per il collegamento dell'interruttore a galleggiante.
-
Assicurarsi che il corpo della pompa sia messo a terra, altrimenti potrebbe danneggiarsi
del regolatore della pompa.
Tecnico
informazioni:
Operativo
tensione: 140–280 V AC Frequenza:
50 Hz Gamma
corrente: 0,5–60 A Consumo
energia: <4 W Sensibilità
per liquidi: <50 kOhm Classe
protezione: IP40 Gamma
temperature operative: -5 °C– +55 °C Sezione
cavo: max. 1,5 mm2 Peso:
0,325 kg Installazione
apertura: 91 x 91 |
Altezza di installazione: meno di 2000 m
Pagamento online con carta – dopo aver completato l'ordine, verrai reindirizzato al portale di pagamento. Riceverai una conferma di pagamento via e-mail.
Pagamento in contrassegno – l'importo indicato nell'ordine di pagamento sarà corrisposto al corriere del servizio di consegna.
Pagamento tramite bonifico bancario – riceverai via e-mail, al più tardi il giorno lavorativo successivo, una fattura proforma, sulla quale sarà indicato il numero di conto da utilizzare per il pagamento.
Pagamento su conto – questa opzione è disponibile per i partner che hanno stipulato un contratto quadro con la nostra azienda.
Se desideri utilizzare le ultime due opzioni, contatta il nostro responsabile, che ti fornirà istruzioni su come ricevere una fattura con IVA o senza IVA.
I dispositivi elettrici che forniamo soddisfano elevati standard di qualità, hanno una garanzia di 24 mesi e sono conformi a tutti i requisiti dell'UE.
Offriamo anche consegna gratuita (per ordini superiori a 2500 CZK), un sistema flessibile di sconti e promozioni. Le competenze tecniche e l'esperienza dei nostri dipendenti ci consentono di fornire consulenze di alta qualità e, se necessario, offrire alternative ai prodotti elettrici.
Elektrické vybavení, které dodáváme, splňuje vysoké standardy kvality, má 24měsíční záruku a odpovídá všem požadavkům EU.
V případě reklamace se vrácení zboží neúčtuje.
