
Dostat upozornění e-mailem, až bude produkt opět skladem
- Popis
- Návody
- Způsoby platby
- Záruka
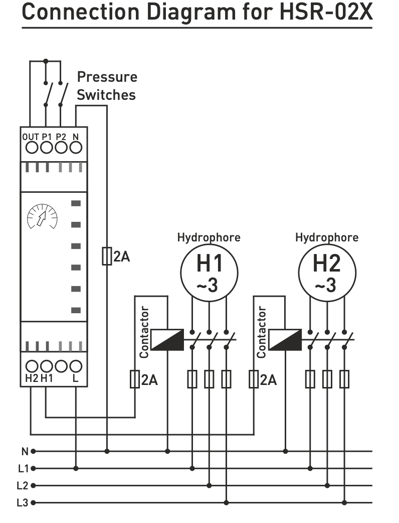
Relè sequenziale idroforo con temporizzatore per 2 pompe
I relè di sequenza idroforo sono progettati per regolare il numero di booster che dovrebbero funzionare in base alla pressione e per garantire che il booster funzioni contemporaneamente.
Pagamento online con carta – dopo aver completato l'ordine, verrai reindirizzato al portale di pagamento. Riceverai una conferma di pagamento via e-mail.
Pagamento in contrassegno – l'importo indicato nell'ordine di pagamento sarà corrisposto al corriere del servizio di consegna.
Pagamento tramite bonifico bancario – riceverai via e-mail, al più tardi il giorno lavorativo successivo, una fattura proforma, sulla quale sarà indicato il numero di conto da utilizzare per il pagamento.
Pagamento su conto – questa opzione è disponibile per i partner che hanno stipulato un contratto quadro con la nostra azienda.
Se desideri utilizzare le ultime due opzioni, contatta il nostro responsabile, che ti fornirà istruzioni su come ricevere una fattura con IVA o senza IVA.
I dispositivi elettrici che forniamo soddisfano elevati standard di qualità, hanno una garanzia di 24 mesi e sono conformi a tutti i requisiti dell'UE.
Offriamo anche consegna gratuita (per ordini superiori a 2500 CZK), un sistema flessibile di sconti e promozioni. Le competenze tecniche e l'esperienza dei nostri dipendenti ci consentono di fornire consulenze di alta qualità e, se necessario, offrire alternative ai prodotti elettrici.
Elektrické vybavení, které dodáváme, splňuje vysoké standardy kvality, má 24měsíční záruku a odpovídá všem požadavkům EU.
V případě reklamace se vrácení zboží neúčtuje.
