
Recevoir une notification par e-mail lorsque le produit sera de nouveau en stock
- Description
- Instructions
- Méthodes de paiement
- Garantie
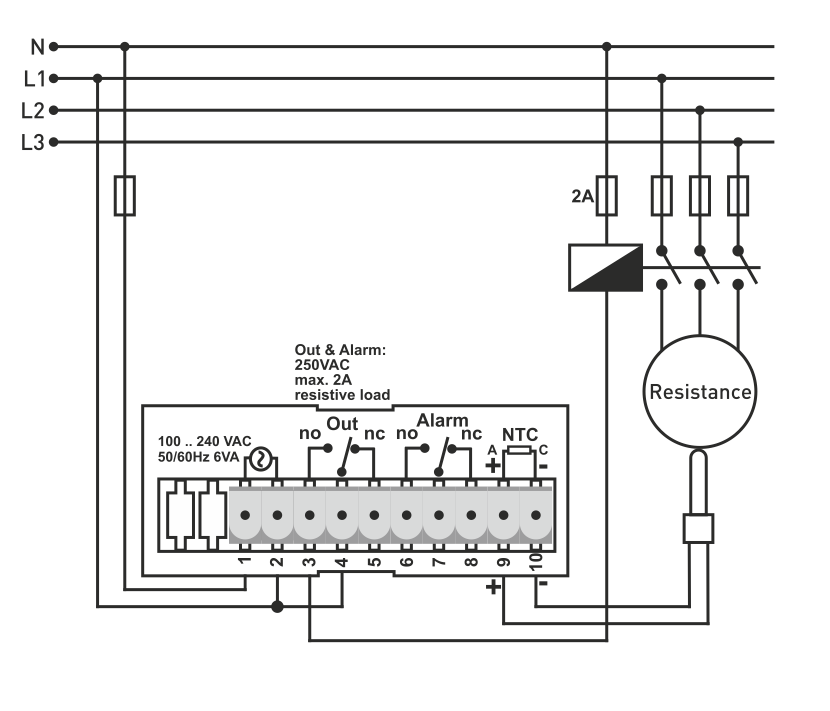
Thermostat / régulateur de température à 2 points pour montage sur panneau Mode de contrôle ON-OFF/ON-OFF, plage de mesure -19,9 °C – +99,9 °C, résolution / pas 0,1ºC (fabriqué en Turquie, TENSE) DT-322
Régulation et surveillance des processus thermiques des systèmes de chauffage, de climatisation et de ventilation, automatisation des bâtiments, installations industrielles.
Type de capteur : CTN
Sorties relais OUT et ALARME (NO+NC) 250VAC, 2A
Fonction de chauffage et de refroidissement en option
- Hystérèse
Minuteries ON/OFF réglables pour la sortie OUT en cas de panne du capteur
- Protection contre la compression grâce à des temps d'arrêt réglables
Limites supérieure et inférieure pour les paramètres SET et ALARM
Hystérésis séparée réglable pour les réglages SET et ALARM
Temporisation d'allumage pour OUT en mode refroidissement
Mémoire EEPROM pour sauvegarder les paramètres
Mot de passe de protection
Haute précision
Download on
Paiement en ligne par carte – après avoir terminé la commande, vous serez redirigé vers la passerelle de paiement, une confirmation de paiement vous sera envoyée par e‑mail.
Contre remboursement (COD) – vous paierez le livreur du transporteur lors de la réception du colis.
Par virement bancaire – au plus tard le jour ouvrable suivant, vous recevrez par e‑mail une facture pro forma avec le numéro de compte que vous indiquerez lors du paiement.
Sur la facture pro forma (pré-facture) – cette option de paiement est disponible pour les partenaires qui ont conclu un contrat-cadre avec notre société.
Si vous souhaitez utiliser les deux dernières méthodes de paiement, appelez notre gestionnaire qui vous fournira des instructions sur la façon d'obtenir une facture avec ou sans TVA.
Paiement en ligne par carte – après avoir terminé votre commande, vous serez redirigé vers le portail de paiement. Vous recevrez une confirmation de paiement par e-mail.
Paiement à la livraison – le montant indiqué sur le bon de paiement sera réglé au livreur du service de livraison.
Paiement par virement bancaire – vous recevrez au plus tard le jour ouvrable suivant une facture pro forma par e-mail, sur laquelle sera indiqué le numéro de compte que vous saisirez lors du paiement.
Paiement sur compte – cette option est disponible pour les partenaires qui ont conclu un contrat-cadre avec notre société.
Si vous souhaitez utiliser les deux dernières options, contactez notre responsable, qui vous fournira des instructions sur la façon d'obtenir une facture avec ou sans TVA.
Les appareils électriques que nous fournissons répondent à des normes de qualité élevées, ont une garantie de 24 mois et sont conformes à toutes les exigences de l'UE.
Nous offrons également la livraison gratuite (pour les commandes de plus de 2500 CZK), un système flexible de remises et d'offres. Les connaissances techniques et l'expérience de nos employés nous permettent de fournir des conseils de haute qualité et, si nécessaire, de proposer des alternatives aux produits électriques.
Les équipements électriques que nous fournissons répondent à des normes de qualité élevées, ont une garantie de 24 mois et sont conformes à toutes les exigences de l'UE.
En cas de réclamation, le retour des marchandises n'est pas facturé.
