
Recevoir une notification par e-mail lorsque le produit sera de nouveau en stock
- Description
- Instructions
- Méthodes de paiement
- Garantie
|
de panneau
multimètre numérique 72x72 mm (ampèremètre-voltètre électronique) monophasé,
fabriqué par TENSE, contient un transformateur de courant.
DAV-72D
est un voltmètre-ampèremètre numérique combiné, conçu pour un fonctionnement continu
suivi :
alternatif
la tension (AC) entre la phase et le conducteur neutre, et
du courant de charge prélevé (AC), mesuré à l'aide d'un capteur de courant externe
transformateur (CT). Appareil
est utilisé dans les tableaux électriques, dans la production, dans la distribution et
systèmes de surveillance de l'énergie électrique.
Principe
activités et utilisation
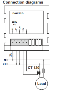
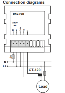
Appareil
est connecté à la phase mesurée et au conducteur neutre via les bornes – cela permet de mesurer
tension. Prélevé
le courant est mesuré à l'aide d'un transformateur de courant externe CT-120, qui est
faisant partie de la livraison. Fils
les enroulements secondaires du transformateur de courant sont connectés aux bornes K et L
à l'arrière de l'appareil. Après
la connexion d'alimentation s'affichera sur l'écran : réel
tension de phase (en volts), de charge
courant (en ampères). Installation
et configuration
Installer
appareil sur le panneau avant (montage dans le panneau), les dimensions de l'ouverture sont de 68 × 68 mm. Connectez
CT-120 selon le schéma : le fil de charge est passé par le transformateur et son
la sortie est connectée à K et L. Après
la connexion d'alimentation de l'appareil affichera automatiquement les valeurs de tension actuelles et
courant. (N'utilisez pas de transformateurs de courant d'autres types ou fabricants –
les valeurs sont calibrées en usine spécialement pour le CT-120)
Techniques
spécifications
Exploitation
tension : de 140 à 270 V courant alternatif (AC) Réseau
fréquence : 50/60 Hz Affiché
plage de tension : de 5 V à 300 V AC Mesuré
plage de courant : de 1 A à 100 A (via le transformateur CT-120) Précision
mesure : tension :
±1 % courant :
±3 % Affichage :
deux lignes, 3 chiffres, hauteur des caractères - 14 mm Mesure
courant : via CT-120, connecté aux bornes K et L Puissance :
moins de 6 VA Exploitation
température : de -20 °C à +55 °C Altitude
hauteur d'installation : jusqu'à 2000 mètres au-dessus du niveau de la mer Connexion :
bornes enfichables Section
câble connecté : jusqu'à 1,5 mm² Montage :
panneau, latéral avant Poids : jusqu'à 220 g |
Paiement en ligne par carte – après avoir terminé la commande, vous serez redirigé vers la passerelle de paiement, une confirmation de paiement vous sera envoyée par e‑mail.
Contre remboursement (COD) – vous paierez le livreur du transporteur lors de la réception du colis.
Par virement bancaire – au plus tard le jour ouvrable suivant, vous recevrez par e‑mail une facture pro forma avec le numéro de compte que vous indiquerez lors du paiement.
Sur la facture pro forma (pré-facture) – cette option de paiement est disponible pour les partenaires qui ont conclu un contrat-cadre avec notre société.
Si vous souhaitez utiliser les deux dernières méthodes de paiement, appelez notre gestionnaire qui vous fournira des instructions sur la façon d'obtenir une facture avec ou sans TVA.
Paiement en ligne par carte – après avoir terminé votre commande, vous serez redirigé vers le portail de paiement. Vous recevrez une confirmation de paiement par e-mail.
Paiement à la livraison – le montant indiqué sur le bon de paiement sera réglé au livreur du service de livraison.
Paiement par virement bancaire – vous recevrez au plus tard le jour ouvrable suivant une facture pro forma par e-mail, sur laquelle sera indiqué le numéro de compte que vous saisirez lors du paiement.
Paiement sur compte – cette option est disponible pour les partenaires qui ont conclu un contrat-cadre avec notre société.
Si vous souhaitez utiliser les deux dernières options, contactez notre responsable, qui vous fournira des instructions sur la façon d'obtenir une facture avec ou sans TVA.
Les appareils électriques que nous fournissons répondent à des normes de qualité élevées, ont une garantie de 24 mois et sont conformes à toutes les exigences de l'UE.
Nous offrons également la livraison gratuite (pour les commandes de plus de 2500 CZK), un système flexible de remises et d'offres. Les connaissances techniques et l'expérience de nos employés nous permettent de fournir des conseils de haute qualité et, si nécessaire, de proposer des alternatives aux produits électriques.
Les équipements électriques que nous fournissons répondent à des normes de qualité élevées, ont une garantie de 24 mois et sont conformes à toutes les exigences de l'UE.
En cas de réclamation, le retour des marchandises n'est pas facturé.
