
Recevoir une notification par e-mail lorsque le produit sera de nouveau en stock
- Description
- Instructions
- Méthodes de paiement
- Garantie
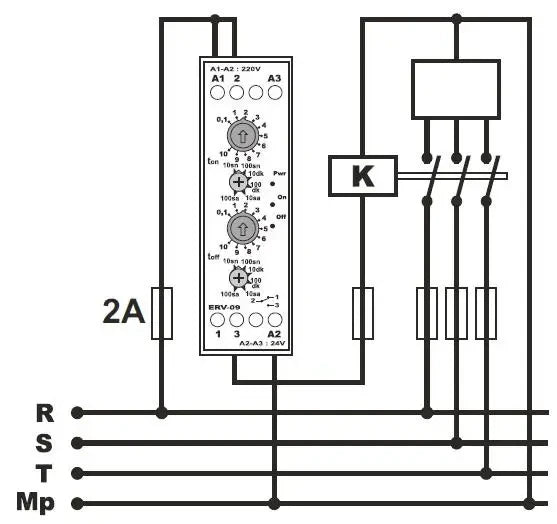
Relais temporisé - Clignotant en début d'impulsion, Clignotant en début de pause relais cyclique - cycle symétrique / asymétrique
Un relais cyclique ou relais temporisé cyclique est utilisé pour allumer périodiquement une charge électrique (comme des lumières, des ventilateurs, etc.) ou pour fournir des signaux de commande dans des systèmes de surveillance ou de contrôle automatiques (comme l'allumage d'un feu clignotant d'urgence ou d'un signal sonore). ). Cette minuterie cyclique peut être utile pour organiser des processus de ventilation automatiques, ouvrir et fermer des fenêtres, allumer périodiquement le chauffage ou la ventilation, pour éclairer ou faire pivoter des panneaux publicitaires.
Si vous configurez le relais pour que ses temps d'allumage et de pause soient symétriques, il peut être utilisé par exemple pour allumer progressivement certains appareils électriques en cas de limitation de courant/puissance (éléments chauffants, générateurs de chaleur). La présence d'un contact de sortie de commutation permet de démarrer le cycle soit par une impulsion, soit par une pause.
- relais temporisé - cycleur avec temps d'activation et de désactivation de la sortie réglable indépendamment
- utilisé pour la ventilation régulière des pièces, le séchage cyclique de l'humidité, le contrôle de l'éclairage, les pompes de circulation, la publicité lumineuse, etc.
- Le relais temporisé est monté sur un rail DIN standard de 35 mm
Paiement en ligne par carte – après avoir terminé la commande, vous serez redirigé vers la passerelle de paiement, une confirmation de paiement vous sera envoyée par e‑mail.
Contre remboursement (COD) – vous paierez le livreur du transporteur lors de la réception du colis.
Par virement bancaire – au plus tard le jour ouvrable suivant, vous recevrez par e‑mail une facture pro forma avec le numéro de compte que vous indiquerez lors du paiement.
Sur la facture pro forma (pré-facture) – cette option de paiement est disponible pour les partenaires qui ont conclu un contrat-cadre avec notre société.
Si vous souhaitez utiliser les deux dernières méthodes de paiement, appelez notre gestionnaire qui vous fournira des instructions sur la façon d'obtenir une facture avec ou sans TVA.
Paiement en ligne par carte – après avoir terminé votre commande, vous serez redirigé vers le portail de paiement. Vous recevrez une confirmation de paiement par e-mail.
Paiement à la livraison – le montant indiqué sur le bon de paiement sera réglé au livreur du service de livraison.
Paiement par virement bancaire – vous recevrez au plus tard le jour ouvrable suivant une facture pro forma par e-mail, sur laquelle sera indiqué le numéro de compte que vous saisirez lors du paiement.
Paiement sur compte – cette option est disponible pour les partenaires qui ont conclu un contrat-cadre avec notre société.
Si vous souhaitez utiliser les deux dernières options, contactez notre responsable, qui vous fournira des instructions sur la façon d'obtenir une facture avec ou sans TVA.
Les appareils électriques que nous fournissons répondent à des normes de qualité élevées, ont une garantie de 24 mois et sont conformes à toutes les exigences de l'UE.
Nous offrons également la livraison gratuite (pour les commandes de plus de 2500 CZK), un système flexible de remises et d'offres. Les connaissances techniques et l'expérience de nos employés nous permettent de fournir des conseils de haute qualité et, si nécessaire, de proposer des alternatives aux produits électriques.
Les équipements électriques que nous fournissons répondent à des normes de qualité élevées, ont une garantie de 24 mois et sont conformes à toutes les exigences de l'UE.
En cas de réclamation, le retour des marchandises n'est pas facturé.
