
Θα σας ειδοποιήσουμε με email μόλις το προϊόν είναι ξανά διαθέσιμο.
- Περιγραφή
- Οδηγίες
- Τρόποι πληρωμής
- Εγγύηση
18 βήματα + Ελεγκτής συντελεστή ισχύος TCR για συμμετρικά / ασύμμετρα δίκτυα με οθόνη αφής 5 ιντσών και RS-485 (TENSE)
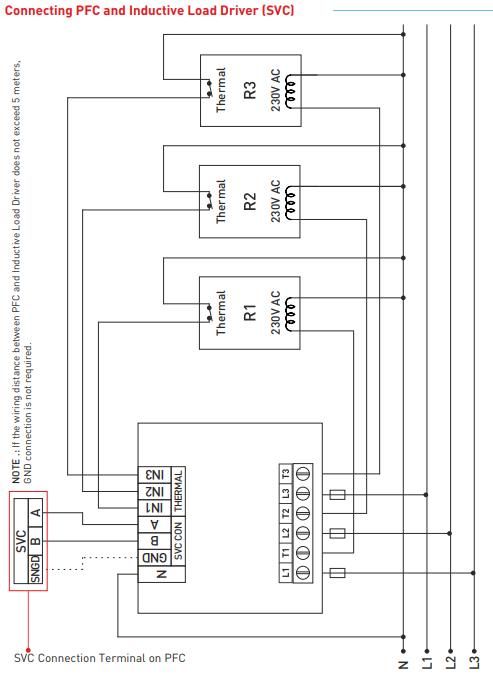
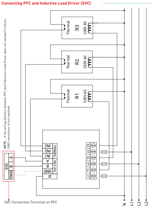
Τα ρελέ ελέγχου άεργου ισχύος έχουν σχεδιαστεί για να μειώνουν την άεργο ισχύ (επαγωγική και χωρητική) που δεν χρησιμοποιείται από το φορτίο και αντλείται από το δίκτυο. Εάν ληφθεί επαγωγική ισχύς από το δίκτυο, παρεμβαίνει παίρνοντας τον πυκνωτή σε μια κατάλληλη τιμή. Εάν η χωρητική ισχύς ληφθεί από το δίκτυο, παρεμβαίνει αφαιρώντας το τσοκ διακλάδωσης σε κατάλληλη τιμή. Με αυτόν τον τρόπο, προσπαθεί να μειώσει τις επαγωγικές/ενεργητικές και χωρητικές/ενεργητικές ταχύτητες του συστήματος. Έχει σχεδιαστεί για να παρέχει πιο λογική αντιστάθμιση για μη ισορροπημένα επαγωγικά και χωρητικά συστήματα με το βήμα RGT-MT18 TCR
Είσοδος γεννήτριας και αντιστάθμιση γεννήτριας
Τάση, αρμονικό ρεύμα/τάση, επαγωγική και χωρητική έξοδος συναγερμού
Μπορούν να ρυθμιστούν οι χρόνοι χτυπήματος, εκφόρτισης και καθίζησης
Απομακρυσμένη επικοινωνία με RS485 (RS485 ModBus RTU)
Μπορεί να συνδεθεί ένας μονοφασικός, διφασικός και τριφασικός πυκνωτής και αντιδραστήρας διακλάδωσης
Αρμονική τάση και ρεύμα μπορεί να παρατηρηθεί μέχρι την 61η αρμονική
Η συνολική ενέργεια μπορεί να παρακολουθηθεί (εισαγωγή/εξαγωγή)
Οι τιμές THD-V και THD-I κάθε φάσης μπορούν να παρατηρηθούν
Παραγωγή ανάλυσης ισχύος (20 δείγματα 9999 λεπτά) - για επιλογή πυκνωτή
Έξοδος συναγερμού θερμοκρασίας
Καταχώρηση ζήτησης (ενεργός και άεργος και φαινόμενη ισχύς και τρέχουσα ζήτηση)
Μπορούν να παρακολουθούνται οι ελάχιστες, μέγιστες και μέσες τιμές ρεύματος και τάσης κάθε φάσης
Πραγματική ημερομηνία και ώρα
Online πληρωμή με κάρτα – μετά την ολοκλήρωση της παραγγελίας σας θα ανακατευθυνθείτε στην πύλη πληρωμών. Θα λάβετε επιβεβαίωση πληρωμής μέσω email.
Πληρωμή με αντικαταβολή – το ποσό που αναφέρεται στην εντολή πληρωμής θα καταβληθεί στον κούριερ της υπηρεσίας παράδοσης.
Πληρωμή με τραπεζική μεταφορά – θα λάβετε το αργότερο την επόμενη εργάσιμη ημέρα μέσω email μια proforma τιμολόγιο, στο οποίο θα αναφέρεται ο αριθμός λογαριασμού που θα εισάγετε κατά την πληρωμή.
Πληρωμή στον λογαριασμό – αυτή την επιλογή έχουν οι συνεργάτες που έχουν υπογράψει πλαίσιο σύμβασης με την εταιρεία μας.
Εάν θέλετε να χρησιμοποιήσετε τις τελευταίες δύο επιλογές, επικοινωνήστε με τον υπεύθυνό μας, ο οποίος θα σας δώσει οδηγίες για το πώς να λάβετε τιμολόγιο με ΦΠΑ ή χωρίς ΦΠΑ.
Ηλεκτρικές συσκευές που παρέχουμε πληρούν υψηλά πρότυπα ποιότητας, έχουν 24μηνη εγγύηση και συμμορφώνονται με όλες τις απαιτήσεις της ΕΕ.
Προσφέρουμε επίσης δωρεάν παράδοση (για παραγγελίες άνω των 2500 CZK), ευέλικτο σύστημα εκπτώσεων και προσφορών. Οι τεχνικές γνώσεις και η εμπειρία των υπαλλήλων μας μας επιτρέπουν να παρέχουμε υψηλής ποιότητας συμβουλές και, εάν χρειαστεί, να προσφέρουμε εναλλακτικές λύσεις για ηλεκτρικά προϊόντα.
Ο ηλεκτρικός εξοπλισμός που παρέχουμε πληροί υψηλά πρότυπα ποιότητας, έχει 24μηνη εγγύηση και συμμορφώνεται με όλες τις απαιτήσεις της ΕΕ.
Σε περίπτωση επιστροφής, δεν χρεώνεται η επιστροφή των προϊόντων.
