
Θα σας ειδοποιήσουμε με email μόλις το προϊόν είναι ξανά διαθέσιμο.
- Περιγραφή
- Οδηγίες
- Τρόποι πληρωμής
- Εγγύηση
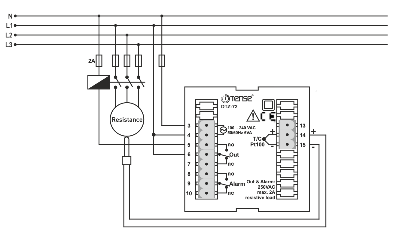
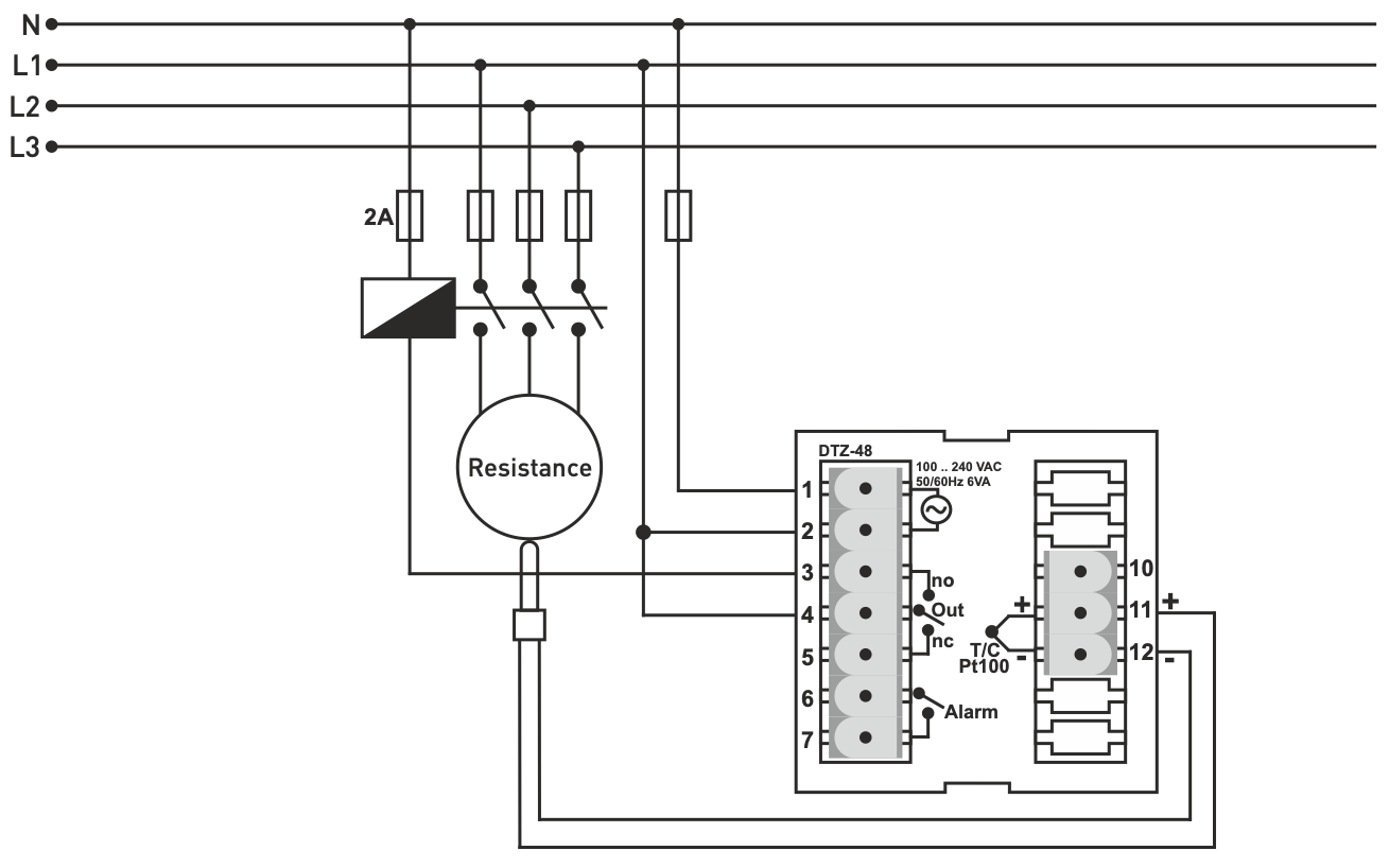
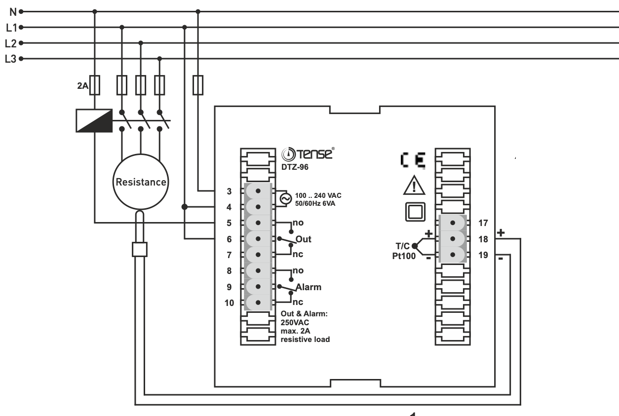
PID regulátor teploty do panelu – TENSE DTZ-48
DTZ-48 je panelový regulátor teploty s vestavěným časovačem, určený pro precizní řízení tepelných procesů v průmyslu, vytápění, klimatizacích, ventilačních systémech a automatizaci budov.
Regulace probíhá buď klasickým ON/OFF režimem nebo pokročilou PID regulací s možností samooptimalizace a omezení překmitu procesní hodnoty.
Hlavní vlastnosti
-
Rozsah měření teploty: -100 °C až +1750 °C (záleží na typu čidla)
-
Typ senzoru: Termočlánky T/C (J, K, T, S, R) nebo odporové čidlo Pt100
-
Typ regulace: P, PI, PD, PID nebo ON-OFF
-
Vestavěný časovač pro řízení procesů
-
Automatické ladění PID parametrů
-
Anti-windup – zabraňuje nárůstu regulačního výstupu při saturaci
-
Zpoždění zapnutí výstupu pro režim chlazení
-
Ochrana heslem
-
Paměť EEPROM pro uchování nastavení
-
Regulační výstup: Relé OUT (NO+NC) 250 VAC, 2A
-
Poplachový výstup: Relé ALARM (NO+NC) 250 VAC, 2A, aktivní při překročení nebo nedosažení hodnoty (pouze ON u DTZ-48)
-
Displej: Vysokokontrastní, dobře čitelný i při špatném osvětlení
Funkce
-
Přesné řízení teploty s možností nastavení rozsahu měření podle čidla
-
Regulátor umožňuje současné zobrazení žádané a aktuální hodnoty
-
Vestavěný časovač umožňuje plánování topných nebo chladicích procesů
-
Poplachové relé upozorní na překročení či nedosažení hodnoty
Doporučené čidlo
-
Termočlánek typu J Fe-Const (metr. 6/8)
-
Stupnice měření: -100 °C až +600 °C
-
Délky kabelu: 1 m, 1,5 m, 2 m, 2,5 m, 3 m, 4 m a 5 m
Použití
-
Regulace ohřevu a chlazení v průmyslových pecích a linkách
-
Kontrola teploty strojů a zařízení v potravinářství, chemii, lehkém průmyslu
-
Automatizace budov a klimatizačních systémů
-
Aplikace, kde je potřeba spolehlivý poplachový výstup
Download on
Online πληρωμή με κάρτα – μετά την ολοκλήρωση της παραγγελίας σας θα ανακατευθυνθείτε στην πύλη πληρωμών. Θα λάβετε επιβεβαίωση πληρωμής μέσω email.
Πληρωμή με αντικαταβολή – το ποσό που αναφέρεται στην εντολή πληρωμής θα καταβληθεί στον κούριερ της υπηρεσίας παράδοσης.
Πληρωμή με τραπεζική μεταφορά – θα λάβετε το αργότερο την επόμενη εργάσιμη ημέρα μέσω email μια proforma τιμολόγιο, στο οποίο θα αναφέρεται ο αριθμός λογαριασμού που θα εισάγετε κατά την πληρωμή.
Πληρωμή στον λογαριασμό – αυτή την επιλογή έχουν οι συνεργάτες που έχουν υπογράψει πλαίσιο σύμβασης με την εταιρεία μας.
Εάν θέλετε να χρησιμοποιήσετε τις τελευταίες δύο επιλογές, επικοινωνήστε με τον υπεύθυνό μας, ο οποίος θα σας δώσει οδηγίες για το πώς να λάβετε τιμολόγιο με ΦΠΑ ή χωρίς ΦΠΑ.
Ηλεκτρικές συσκευές που παρέχουμε πληρούν υψηλά πρότυπα ποιότητας, έχουν 24μηνη εγγύηση και συμμορφώνονται με όλες τις απαιτήσεις της ΕΕ.
Προσφέρουμε επίσης δωρεάν παράδοση (για παραγγελίες άνω των 2500 CZK), ευέλικτο σύστημα εκπτώσεων και προσφορών. Οι τεχνικές γνώσεις και η εμπειρία των υπαλλήλων μας μας επιτρέπουν να παρέχουμε υψηλής ποιότητας συμβουλές και, εάν χρειαστεί, να προσφέρουμε εναλλακτικές λύσεις για ηλεκτρικά προϊόντα.
Ο ηλεκτρικός εξοπλισμός που παρέχουμε πληροί υψηλά πρότυπα ποιότητας, έχει 24μηνη εγγύηση και συμμορφώνεται με όλες τις απαιτήσεις της ΕΕ.
Σε περίπτωση επιστροφής, δεν χρεώνεται η επιστροφή των προϊόντων.
