
Θα σας ειδοποιήσουμε με email μόλις το προϊόν είναι ξανά διαθέσιμο.
- Περιγραφή
- Οδηγίες
- Τρόποι πληρωμής
- Εγγύηση
|
Λεπτομερής
περιγραφή DJ-A96T
τριφασικό ψηφιακό αμπερόμετρο στον πίνακα
Αμπερόμετρο
για την παρακολούθηση του ρεύματος σε τριφασικό σύστημα με μέτρηση του ρεύματος σε μεμονωμένα
φάσεων L1, L2, L3 χρησιμοποιώντας εξωτερικούς μετασχηματιστές ρεύματος. Τροφοδοσία
τάση: 230V AC, τάση συσκευής <4VA Εύρος
ρεύματος: 100mA...5,5A Εύρος
μετασχηματιστή ρεύματος: 5/5A - 5000/5A Ακρίβεια
μέτρηση +-2% Συσκευασία
δεν περιέχει μετασχηματιστές ρεύματος, μπορείτε να τους επιλέξετε εδώ. Καλά
ευανάγνωστη οθόνη 3x4 ψηφία, ύψος 14 mm. Διαστάσεις
97,2x97,2mm για κοπή 91x91mm, βάθος 45mm
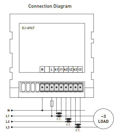
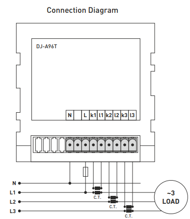
Αρχή
δραστηριότητες και ρυθμίσεις: Συνδέστε
συσκευής σύμφωνα με το διάγραμμα σύνδεσης. Συνδέστε
μετασχηματιστές ρεύματος με αναλογία xxxx/5A ανάλογα με το ρεύμα φορτίου του
του συστήματος. Συνδέστε τα καλώδια των μετασχηματιστών ρεύματος στις εισόδους
συσκευές "kx" και "lx". Η έξοδος από τους μετασχηματιστές ρεύματος στο αμπερόμετρο μπορεί
είναι μέγιστο 5 A. Πριν
με την έναρξη μέτρησης του φορτίου, αφού ενεργοποιήσετε την τροφοδοσία, κρατήστε πατημένο το κουμπί "Μενού" για
2 δευτερόλεπτα. Ρυθμίστε
την αναλογία μετασχηματιστών που χρησιμοποιούνται με τα κουμπιά "Ανω"-"Κάτω". Για
για να αποθηκεύσετε τις ρυθμίσεις, κρατήστε πατημένο το κουμπί "Μενού" για 2 δευτερόλεπτα. Συνδέστε
Το φορτίο και το αμπερόμετρο θα αρχίσουν να εμφανίζουν ρεύμα. Z
Για λόγους ασφαλείας είναι πάντα απαραίτητο να γειώνεται ο μετασχηματιστής μέτρησης. Τεχνικά
χαρακτηριστικά: Τύπος
ρελέ: Ημιαγωγικά Εισόδου
τάση: 3...32 V DC Εναλλασσόμενο:
24...480 V AC. Δεν προορίζεται για κινητήρες Απώλεια
τάση: < 3 V Εκκινητής
ρεύμα: 5 mA Τάση
σπείρες: 3...32 V DC Μέγ.
ρεύμα: 25 A Ηλεκτρική
αντοχή μόνωσης: 2500 V AC |
Τρόπος ελέγχου: εναλλαγή όταν το ρεύμα υπερβαίνει το μηδέν.
Online πληρωμή με κάρτα – μετά την ολοκλήρωση της παραγγελίας σας θα ανακατευθυνθείτε στην πύλη πληρωμών. Θα λάβετε επιβεβαίωση πληρωμής μέσω email.
Πληρωμή με αντικαταβολή – το ποσό που αναφέρεται στην εντολή πληρωμής θα καταβληθεί στον κούριερ της υπηρεσίας παράδοσης.
Πληρωμή με τραπεζική μεταφορά – θα λάβετε το αργότερο την επόμενη εργάσιμη ημέρα μέσω email μια proforma τιμολόγιο, στο οποίο θα αναφέρεται ο αριθμός λογαριασμού που θα εισάγετε κατά την πληρωμή.
Πληρωμή στον λογαριασμό – αυτή την επιλογή έχουν οι συνεργάτες που έχουν υπογράψει πλαίσιο σύμβασης με την εταιρεία μας.
Εάν θέλετε να χρησιμοποιήσετε τις τελευταίες δύο επιλογές, επικοινωνήστε με τον υπεύθυνό μας, ο οποίος θα σας δώσει οδηγίες για το πώς να λάβετε τιμολόγιο με ΦΠΑ ή χωρίς ΦΠΑ.
Ηλεκτρικές συσκευές που παρέχουμε πληρούν υψηλά πρότυπα ποιότητας, έχουν 24μηνη εγγύηση και συμμορφώνονται με όλες τις απαιτήσεις της ΕΕ.
Προσφέρουμε επίσης δωρεάν παράδοση (για παραγγελίες άνω των 2500 CZK), ευέλικτο σύστημα εκπτώσεων και προσφορών. Οι τεχνικές γνώσεις και η εμπειρία των υπαλλήλων μας μας επιτρέπουν να παρέχουμε υψηλής ποιότητας συμβουλές και, εάν χρειαστεί, να προσφέρουμε εναλλακτικές λύσεις για ηλεκτρικά προϊόντα.
Ο ηλεκτρικός εξοπλισμός που παρέχουμε πληροί υψηλά πρότυπα ποιότητας, έχει 24μηνη εγγύηση και συμμορφώνεται με όλες τις απαιτήσεις της ΕΕ.
Σε περίπτωση επιστροφής, δεν χρεώνεται η επιστροφή των προϊόντων.
