
Notified by email when this product becomes available
- Description
- Instructions
- Payment methods
- Warranty
|
Detailed
description Counter
impulses for panel DS-48 (2x
4-digit display: 1x counter, 1x target value)
General
specifications of the pulse counter DS-48: 2x
4-digit display, 1x preset value, 1x
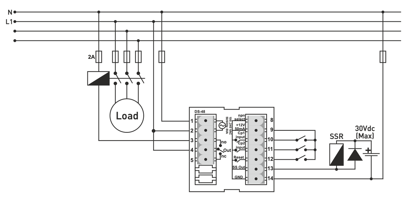
output relay OUT, counter
hours/down Counts
signals from mechanical switches, inductive PNP/NPN proximity sensors and
of inputs from the incremental encoder. Protection
with a password. Optional
input frequency: 20, 50, 2500, 7500 Hz Calibration
constant: 0,001.....9,999 Optional
decimal point: 0, 0,0, 0,00, 0,000
Options
combination of functions: 7 input functions / 9 output functions: -
counting, -
counting down, -
counting/counting from two inputs simultaneously, - pause
in counting/counting controlled by the second input, -
input negation controlled by the second input, -
counting/subtracting from the rising edge / falling edge / both edges simultaneously, -
counting on the rising edge / subtracting on the falling edge / negation function with the second
input
Adjustable
"OFFSET" of the calculated value OUTPUT
relay: will turn on when the value is reached and will hold until RESET or a pulse in
range of 0.1.....999.9 seconds Remembers
the value of the pulse count and the state of the output relay OUT at the last failure
power and can be restored after the first power on. RESET
by the button on the front panel or by a signal at the RESET terminal (12). Memory
EEPROM for storing settings.
Notes
for installation:
Use
shielded and twisted signal cable and ground the shielding. Keep all
signal cables away from circuit breakers, inductive loads, devices/cables that
emit electrical noise, and power cables. Prevent
environmental influences, such as humidity, vibration, pollution, and high/low
temperature. On
the device's network/power input, use a fuse (F250mA 250VAC). For
for power use a suitable cable. During installation, adhere to safety
regulations. Before
preferably use the option (Input = Phs1), select (Frequency = 20)
for counting pulses of the mechanical ON-OFF switch, select
the optimal minimum input frequency that suits your application. Pre
Input = 1u2u, 1u2d, Phs2; the frequency of the input signal must be a maximum of ½
selected input frequency, if both inputs are used.
Pre
Inpt = Phs4; the frequency of the input signal must not exceed 1/4 of the selected
input frequency, if both inputs are used.
Technical
parameters: Dimensions
/ cutout: 48x48x96 mm / 44x44 mm Display:
2x4-digit 7-segment LED display. Number
inputs: 2 x (Max: 7500 Hz, 5-30 V) Type
input: mechanical switch, inductive PNP/NPN sensor, encoder output
NPN/PNP/totem-pole Input
frequency: 20, 50, 2500, 7500 Hz. Selection
NPN sensor: Before the NPN, connect terminal "npn select" (8) to terminal "+12V" (9) and
then select the NPN sensor connected to input Cp1(10) and Cp2 (11). Reset
the input is always PNP. Before
totem or PNP sensors will not connect with 'npn select'. Reset
signal: terminal (12), minimum 10 ms, + signal (only PNP) (5.....30 V) Power supply
voltage: 100...240 V AC, 50-60 Hz. Consumption
power: < 8 VA Output
(OUT): 1x relay
SPDT 250VAC, 2A, resistive load, terminals 4=COM, 3=NO, 5=NC, 1x
SSR control - NPN, 30V, max. 100mA, terminal 13=SSout, 14=GND Power supply
sensor: terminal (9) 12 VDC, 50 mA (max.), unregulated Conversion
temperature: -20°C ... +55°C |
Altitude of the supervisor: <2000m
Spletno plačilo s kartico – po dokončanju naročila boste preusmerjeni na plačilno stran, potrdilo o plačilu vam bo poslano na e‑pošto.
Plačilo po povzetju (COD) – plačilo boste poravnali vozniku prevoznika ob prevzemu pošiljke.
Bančno nakazilo – najkasneje naslednji delovni dan boste na e‑pošto prejeli predračun s številko računa, ki jo vnesete pri plačilu.
Na predračun (predfakturo) – ta možnost plačila je na voljo partnerjem, ki imajo z našim podjetjem sklenjeno okvirno pogodbo.
Če želite izkoristiti zadnja dva načina plačila, pokličite našega upravitelja, ki vam bo dal navodila, kako pridobiti račun z ali brez DDV.
Online payment by card – after completing the order, you will be redirected to the payment portal. You will receive a payment confirmation via email.
Cash on delivery – the amount specified in the payment order will be paid to the courier of the delivery service.
Bank transfer payment – you will receive a proforma invoice via email no later than the following business day, which will include the account number to be entered during payment.
Account payment – this option is available to partners who have a framework agreement with our company.
If you wish to use the last two options, please contact our manager, who will provide you with instructions on how to receive an invoice with or without VAT.
The electrical devices we supply meet high quality standards, have a 24-month warranty, and comply with all EU requirements.
We also offer free delivery (for orders over 2500 CZK), a flexible system of discounts and promotions. The technical knowledge and experience of our employees allow us to provide high-quality consulting and, if necessary, offer alternatives to electrical products.
The electrical equipment we supply meets high quality standards, has a 24-month warranty, and complies with all EU requirements.
In case of a complaint, the return of goods is not charged.
