
Notified by email when this product becomes available
Pre-order product
- Description
- Instructions
- Payment methods
- Warranty
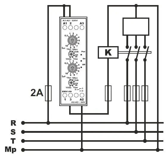
Time relay - Blinker at the beginning of the pulse, Blinker at the beginning of the pause cyclic relay - symmetric / asymmetric cycle
A cyclic relay or cyclic time relay is used to periodically switch on an electrical load (such as lights, fans, etc.) or to supply control signals in automatic monitoring or control systems (such as turning on an emergency flashing light or an audible signal). This cyclic timer can be useful for organizing automatic ventilation processes, opening and closing windows, periodically switching on heating or ventilation, for lighting or rotating advertising signs.
If you configure the relay so that its turn-on and pause times are symmetrical, it can be used, for example, to gradually turn on some electrical appliances in case of current / power limitation (heating elements, heat generators). The presence of a switching output contact allows the cycle to be started either with a pulse or with a pause.
- time relay - cycler with independently adjustable time of switching on and off the output
- used for regular room ventilation, cyclic drying of humidity, lighting control, circulation pumps, illuminated advertising, etc.
- The time relay is mounted on a standard 35mm DIN rail
Online payment by card – after completing the order, you will be redirected to the payment portal. You will receive a payment confirmation via email.
Cash on delivery – the amount specified in the payment order will be paid to the courier of the delivery service.
Bank transfer payment – you will receive a proforma invoice via email no later than the following business day, which will include the account number to be entered during payment.
Account payment – this option is available to partners who have a framework agreement with our company.
If you wish to use the last two options, please contact our manager, who will provide you with instructions on how to receive an invoice with or without VAT.
The electrical devices we supply meet high quality standards, have a 24-month warranty, and comply with all EU requirements.
We also offer free delivery (for orders over 2500 CZK), a flexible system of discounts and promotions. The technical knowledge and experience of our employees allow us to provide high-quality consulting and, if necessary, offer alternatives to electrical products.
The electrical equipment we supply meets high quality standards, has a 24-month warranty, and complies with all EU requirements.
In case of a complaint, the return of goods is not charged.
