
Notified by email when this product becomes available
Pre-order product
- Description
- Payment methods
- Warranty
|
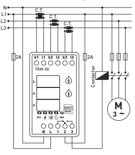
Current relay for load monitoring/restriction, 3-phase, range 290–400
A, manufacturer TENSE (Turkey) The TRM-400 digital overload relay is designed to protect the load from
damage caused by high currents and simultaneously allows for operation control.
Use of the device and the principle of operation
When the device is powered on:
The TRM-400 series electronic current relay is
designed to automatically disconnect consumers when exceeding the maximum
permissible currents. It has a programmable start range, the option to set
the start time and the time of reactivation. There are 3 return modes to
"operational" state – MANUAL, SEMI-AUTOMATIC, AUTOMATIC. Reset Modes
Note: To change the mode, hold the SELECT button
for 10 seconds. After changing the mode, the corresponding LED will light up. Technical parameters
Note: Models TRM-50, TRM-100, TRM-200, and TRM-300 can use only with current transformers that are part of the supply.
Model TRM-400 can be used with a current transformer 400/5 Basic
|
Online payment by card – after completing the order, you will be redirected to the payment portal. You will receive a payment confirmation via email.
Cash on delivery – the amount specified in the payment order will be paid to the courier of the delivery service.
Bank transfer payment – you will receive a proforma invoice via email no later than the following business day, which will include the account number to be entered during payment.
Account payment – this option is available to partners who have a framework agreement with our company.
If you wish to use the last two options, please contact our manager, who will provide you with instructions on how to receive an invoice with or without VAT.
The electrical devices we supply meet high quality standards, have a 24-month warranty, and comply with all EU requirements.
We also offer free delivery (for orders over 2500 CZK), a flexible system of discounts and promotions. The technical knowledge and experience of our employees allow us to provide high-quality consulting and, if necessary, offer alternatives to electrical products.
The electrical equipment we supply meets high quality standards, has a 24-month warranty, and complies with all EU requirements.
In case of a complaint, the return of goods is not charged.
