
Notified by email when this product becomes available
- Description
- Payment methods
- Warranty
|
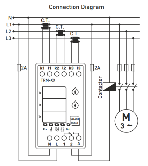
Three-phase current relay for monitoring / limiting load current in
the range of 40–100 A, manufacturer TENSE (Turkey) Digital overcurrent relays TRM-100 are designed to protect the load from
damage caused by high current while allowing for operational control. • 40–100 A (adjustable overcurrent value)
Use of the device and principle
activities
When the device is turned on:
Description The electronic current relay of the TRM-100 series is
designed for the automatic disconnection of appliances when exceeding the maximum
permissible current.
Reset modes: • Manual mode: After an overcurrent fault, it is necessary to
reset the device by pressing the Reset button. In this mode, the corresponding
LED indicator. Note: To change the mode, press and hold the SELECT button.
for 10 seconds. After the mode change, the corresponding LED indicator will light up. Asymmetry 50% (fixed) If the difference between the largest and smallest phase
if the current exceeds 50%, the device will switch to fault mode within 2 seconds.
asymmetry. In case of asymmetry error: Technical parameters: • Operating voltage: 150–260 V AC Note: The TRM-50, TRM-100, TRM-200, and TRM-300 models can only be used with current transformers that are included in the supply.
Basic
|
Online payment by card – after completing the order, you will be redirected to the payment portal. You will receive a payment confirmation via email.
Cash on delivery – the amount specified in the payment order will be paid to the courier of the delivery service.
Bank transfer payment – you will receive a proforma invoice via email no later than the following business day, which will include the account number to be entered during payment.
Account payment – this option is available to partners who have a framework agreement with our company.
If you wish to use the last two options, please contact our manager, who will provide you with instructions on how to receive an invoice with or without VAT.
The electrical devices we supply meet high quality standards, have a 24-month warranty, and comply with all EU requirements.
We also offer free delivery (for orders over 2500 CZK), a flexible system of discounts and promotions. The technical knowledge and experience of our employees allow us to provide high-quality consulting and, if necessary, offer alternatives to electrical products.
The electrical equipment we supply meets high quality standards, has a 24-month warranty, and complies with all EU requirements.
In case of a complaint, the return of goods is not charged.
