
Notified by email when this product becomes available
- Description
- Instructions
- Payment methods
- Warranty
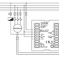
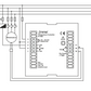
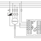
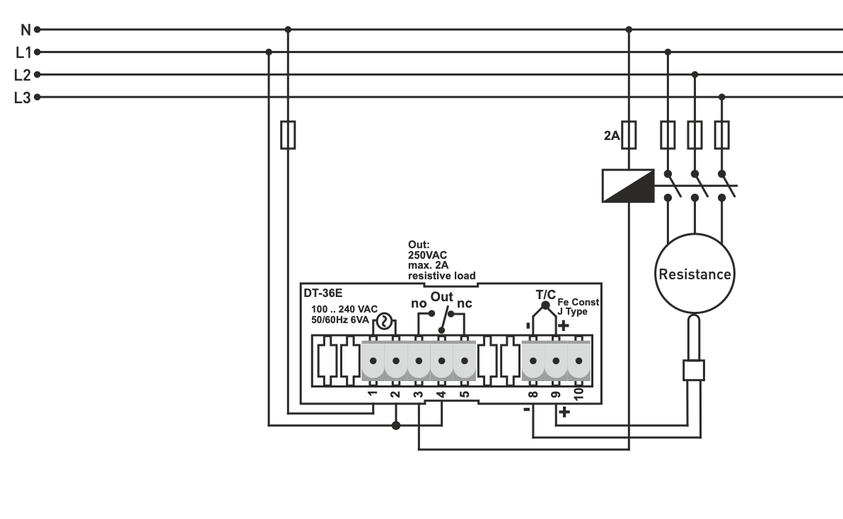
Panelový regulátor teploty DT48-EM – PID & ON/OFF
Popis produktu:
DT48-EM je jednokanálový panelový regulátor teploty určený pro ohřev s univerzálním vstupem. Slouží k přesné regulaci teploty v průmyslových aplikacích, strojích lehkého průmyslu, potravinářství, pecích a dalších systémech, kde je vyžadována precizní kontrola ohřevu.
Vstupy:
-
Odporové čidlo Pt100
-
Termočlánky (T/C) typ J, K, T, R, S
Výstupy:
-
SPDT relé 2A / 250VAC pro odporovou zátěž
-
Digitální výstup 12VDC / 20mA pro ovládání SSR relé
Rozměry:
-
Napájení 230VAC
Funkce a vlastnosti
-
Regulace: PID a ON/OFF, volitelně P, PI, PD
-
Automatické ladění PID: samooptimalizace pro minimalizaci překmitů
-
Režim rampy: plynulé zvyšování teploty při zapnutí
-
Anti-windup: ochrana proti nárůstu regulačního výstupu v PID/PI
-
Horní a dolní limit: pro nastavení žádané teploty SET
-
Dvouřádkový displej: Sv (žádaná hodnota) a Pv (aktuální hodnota)
-
Kompenzace: studených spojů pro T/C, odporu vedení pro Pt100
-
Lineární převod: tabulky °C/mV a °C/Ohm
-
Offset: posun hodnot v celém rozsahu
-
Ochrana heslem: zabrání nechtěné změně nastavení
-
Paměť EEPROM: uchovává nastavení i po odpojení napájení
-
Jednoduché připojení: zásuvné konektory 5,08 mm
Měřicí rozsahy podle typu senzoru
| Rozsah (°C) | Typ senzoru | Kód INPt |
|---|---|---|
| -100 .. 600 | TLC, typ J T/C | J |
| -100 .. 1300 | TXA, typ K T/C | K |
| -100 .. 400 | TMKn, typ T/C | T |
| 0 .. 1750 | typ S T/C TPP | S |
| 0 .. 1750 | TPP, typ R T/C | R |
| -100 .. 600 | Pt100 | Pt |
| -99,9 .. 600,0 | Pt100 | Pt.0 |
Poznámka:
I když regulátor umožňuje měření teplot pod -20 °C a nad +55 °C, samotné zařízení musí být instalováno v prostředí s teplotou -20 … +55 °C, jinak může dojít k deformaci plastového krytu a selhání termostatu.
Online betaling met kaart – na het voltooien van de bestelling wordt u doorgestuurd naar de betalingsgateway, de bevestiging van de betaling wordt naar uw e‑mail gestuurd.
Betaling bij levering (COD) – u betaalt de chauffeur van de vervoerder bij ontvangst van het pakket.
Bankoverschrijving – uiterlijk de volgende werkdag ontvangt u een proforma factuur met het rekeningnummer, dat u invoert bij de betaling, op uw e‑mail.
Op de proforma factuur – deze betalingsoptie is beschikbaar voor partners die een raamovereenkomst met ons bedrijf hebben gesloten.
Als u gebruik wilt maken van de laatste twee betalingsmethoden, bel dan onze beheerder, die u instructies zal geven over hoe u een factuur met of zonder BTW kunt verkrijgen.
Online payment by card – after completing the order, you will be redirected to the payment portal. You will receive a payment confirmation via email.
Cash on delivery – the amount specified in the payment order will be paid to the courier of the delivery service.
Bank transfer payment – you will receive a proforma invoice via email no later than the following business day, which will include the account number to be entered during payment.
Account payment – this option is available to partners who have a framework agreement with our company.
If you wish to use the last two options, please contact our manager, who will provide you with instructions on how to receive an invoice with or without VAT.
The electrical devices we supply meet high quality standards, have a 24-month warranty, and comply with all EU requirements.
We also offer free delivery (for orders over 2500 CZK), a flexible system of discounts and promotions. The technical knowledge and experience of our employees allow us to provide high-quality consulting and, if necessary, offer alternatives to electrical products.
The electrical equipment we supply meets high quality standards, has a 24-month warranty, and complies with all EU requirements.
In case of a complaint, the return of goods is not charged.
