
Notified by email when this product becomes available
- Description
- Instructions
- Payment methods
- Warranty
12 steps + TCR Power factor controller with 2.9 inch graphic LCD display (TENSE)
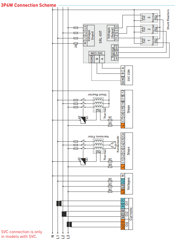
The RGT-12E (TENSE) reactive power regulator is a fully automatic device for optimal switching of compensation stages.
Digital processing of the values measured by the controller ensures high accuracy of the evaluation of the effective value of voltage, current and power factor.
The installation of the device is fully automatic - the controller itself determines the size of the individual connected compensation stages. These parameters can also be entered directly manually.
The regulator switches on and off the compensation stages so that the regulation of the reactive power takes place with a minimum number of switchings. At the same time, the regulator takes into account the uniform load of the individual stages and preferentially switches those which have been disconnected for the longest time and for which the residual charge is minimal. During regulation, continuous control of compensation stages is carried out simultaneously - outages and changes in values are detected, temporarily disabled stages are periodically tested and, if necessary, put back into the regulation process.
Generator input and generator compensation
Hit, discharge and settling times can be set
A single-phase, two-phase and three-phase capacitor and shunt reactor can be connected
Harmonic voltage and current can be observed up to the 31st harmonic
Total energy can be monitored (import/export)
The THD-V and THD-I values of each phase can be observed
Power analysis generation (20 samples 9999 min.) - for capacitor selection
Online betaling met kaart – na het voltooien van de bestelling wordt u doorgestuurd naar de betalingsgateway, de bevestiging van de betaling wordt naar uw e‑mail gestuurd.
Betaling bij levering (COD) – u betaalt de chauffeur van de vervoerder bij ontvangst van het pakket.
Bankoverschrijving – uiterlijk de volgende werkdag ontvangt u een proforma factuur met het rekeningnummer, dat u invoert bij de betaling, op uw e‑mail.
Op de proforma factuur – deze betalingsoptie is beschikbaar voor partners die een raamovereenkomst met ons bedrijf hebben gesloten.
Als u gebruik wilt maken van de laatste twee betalingsmethoden, bel dan onze beheerder, die u instructies zal geven over hoe u een factuur met of zonder BTW kunt verkrijgen.
Online payment by card – after completing the order, you will be redirected to the payment portal. You will receive a payment confirmation via email.
Cash on delivery – the amount specified in the payment order will be paid to the courier of the delivery service.
Bank transfer payment – you will receive a proforma invoice via email no later than the following business day, which will include the account number to be entered during payment.
Account payment – this option is available to partners who have a framework agreement with our company.
If you wish to use the last two options, please contact our manager, who will provide you with instructions on how to receive an invoice with or without VAT.
The electrical devices we supply meet high quality standards, have a 24-month warranty, and comply with all EU requirements.
We also offer free delivery (for orders over 2500 CZK), a flexible system of discounts and promotions. The technical knowledge and experience of our employees allow us to provide high-quality consulting and, if necessary, offer alternatives to electrical products.
The electrical equipment we supply meets high quality standards, has a 24-month warranty, and complies with all EU requirements.
In case of a complaint, the return of goods is not charged.
