
Notified by email when this product becomes available
- Description
- Instructions
- Payment methods
- Warranty
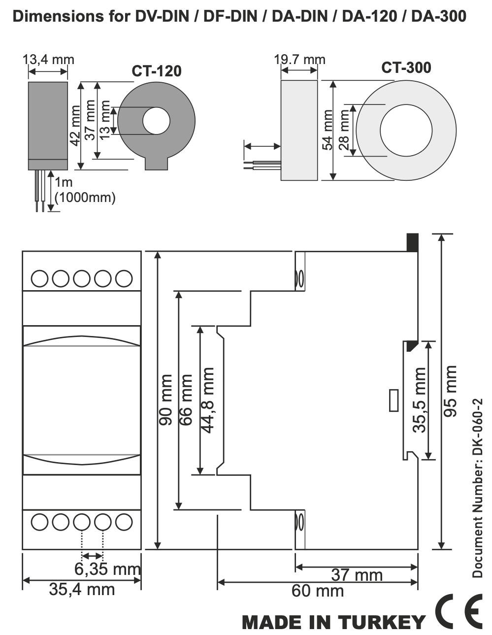
Jednofázový ampérmetr True RMS s proudovým transformátorem 120/5 A – DA-120 (TENSE)
Měření do 120 A • True RMS • DIN lišta • CT-120 v balení
Jednofázový digitální ampérmetr DA-120 od výrobce TENSE je přesný měřicí přístroj určený pro monitorování elektrického proudu v jednofázových obvodech až do 120 A. Zařízení využívá měření True RMS, což zajišťuje přesné výsledky i v případě deformovaných proudových průběhů, nelineárních zátěží nebo přítomnosti harmonických.
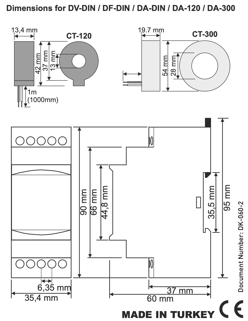
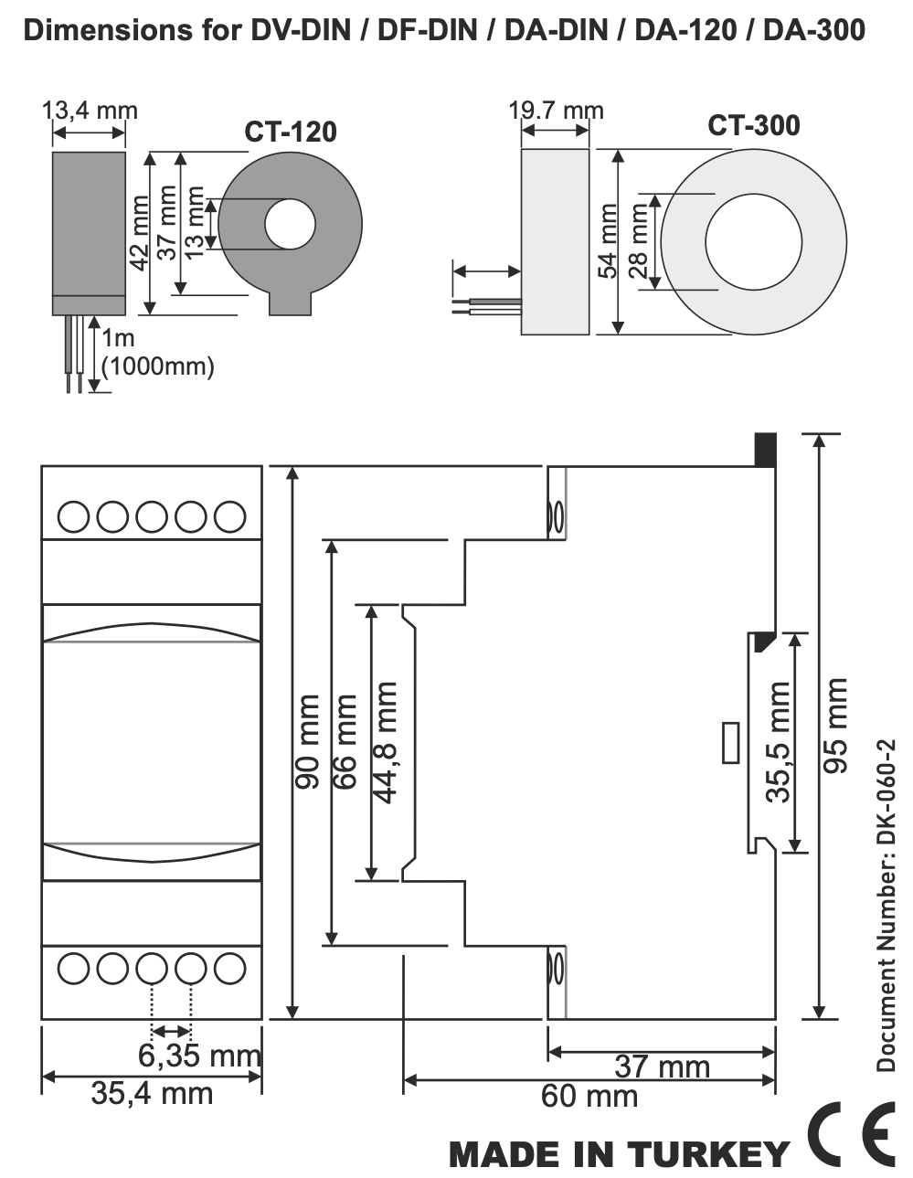
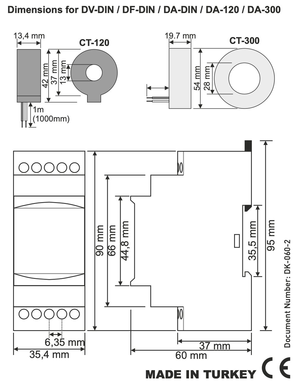
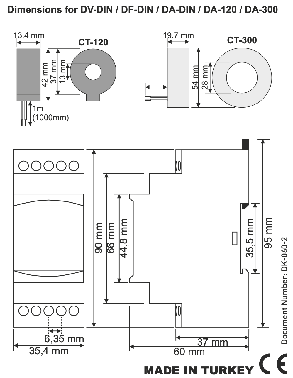
Ampérmetr pracuje s externím proudovým transformátorem CT-120 (120/5 A), který je součástí dodávky. Správně zvolený transformátor je nutný pro přesné měření – proto se nedoporučuje kombinovat proudové transformátory různého typu nebo od jiných výrobců.
Vlastnosti a funkce
-
Přesné měření proudu technologií True RMS
-
Součástí balení proudový transformátor CT-120 (120/5 A)
-
Vhodné pro sledování zátěže v jednofázových instalacích
-
Přehledný 3místný LED displej
-
Jednoduchá montáž na DIN lištu
-
Rychlá a spolehlivá indikace aktuálního proudu
Použití
-
Připojte proudový transformátor CT-120 k měřenému vodiči.
-
Propojte výstup CT transformátoru se vstupními svorkami ampérmetru.
-
Po zapnutí napájení se na displeji zobrazí aktuální hodnota proudu odebíraného zátěží.
Technické specifikace
| Parametr | Hodnota |
|---|---|
| Kód produktu | DA-120 |
| Měřicí rozsah | do 120 A (s CT 120/5) |
| Typ měření | True RMS |
| Displej | 3místný LED displej |
| Frekvence | 50/60 Hz |
| Montáž | DIN lišta |
| Proudový transformátor | CT-120 (součást balení) |
Download on
Online payment by card – after completing the order, you will be redirected to the payment portal. You will receive a payment confirmation via email.
Cash on delivery – the amount specified in the payment order will be paid to the courier of the delivery service.
Bank transfer payment – you will receive a proforma invoice via email no later than the following business day, which will include the account number to be entered during payment.
Account payment – this option is available to partners who have a framework agreement with our company.
If you wish to use the last two options, please contact our manager, who will provide you with instructions on how to receive an invoice with or without VAT.
The electrical devices we supply meet high quality standards, have a 24-month warranty, and comply with all EU requirements.
We also offer free delivery (for orders over 2500 CZK), a flexible system of discounts and promotions. The technical knowledge and experience of our employees allow us to provide high-quality consulting and, if necessary, offer alternatives to electrical products.
The electrical equipment we supply meets high quality standards, has a 24-month warranty, and complies with all EU requirements.
In case of a complaint, the return of goods is not charged.
